The Project Gutenberg eBook of History of electric light, by Henry Schroeder

This eBook is for the use of anyone anywhere in the United States and most other parts of the world at no cost and with almost no restrictions whatsoever. You may copy it, give it away or re-use it under the terms of the Project Gutenberg License included with this eBook or online at www.gutenberg.org. If you are not located in the United States, you will have to check the laws of the country where you are located before using this eBook.

Title: History of electric light

Author: Henry Schroeder

Release Date: June 16, 2022 [eBook #68326]

Language: English

Produced by: Charlene Taylor, Charlie Howard, and the Online Distributed Proofreading Team at https://www.pgdp.net (This file was produced from images generously made available by The Internet Archive/American Libraries.)

*** START OF THE PROJECT GUTENBERG EBOOK HISTORY OF ELECTRIC LIGHT ***

Transcriber’s Note

Larger versions of most illustrations may be seen by right-clicking them and selecting an option to view them separately, or by double-tapping and/or stretching them.

Cover image created by Transcriber, using illustrations from the original book, and placed into the Public Domain.

SMITHSONIAN MISCELLANEOUS COLLECTIONS
VOLUME 76, NUMBER 2

HISTORY OF ELECTRIC LIGHT

BY
HENRY SCHROEDER
Harrison, New Jersey

FOR THE INCREASE
AND DIFFVSION OF
KNOWLEDGE AMONG MEN

SMITHSONIAN
INSTITVTION
WASHINGTON 1846

(Publication 2717)

CITY OF WASHINGTON
PUBLISHED BY THE SMITHSONIAN INSTITUTION
AUGUST 15, 1923


The Lord Baltimore Press
BALTIMORE, MD., U. S. A.


iii

CONTENTS

  PAGE
List of Illustrations v
Foreword ix
Chronology of Electric Light xi
Early Records of Electricity and Magnetism 1
Machines Generating Electricity by Friction 2
The Leyden Jar 3
Electricity Generated by Chemical Means 3
Improvement of Volta’s Battery 5
Davy’s Discoveries 5
Researches of Oersted, Ampère, Schweigger and Sturgeon 6
Ohm’s Law 7
Invention of the Dynamo 7
Daniell’s Battery 10
Grove’s Battery 11
Grove’s Demonstration of Incandescent Lighting 12
Grenet Battery 13
De Moleyns’ Incandescent Lamp 13
Early Developments of the Arc Lamp 14
Joule’s Law 16
Starr’s Incandescent Lamp 17
Other Early Incandescent Lamps 19
Further Arc Lamp Developments 20
Development of the Dynamo, 1840–1860 24
The First Commercial Installation of an Electric Light 25
Further Dynamo Developments 27
Russian Incandescent Lamp Inventors 30
The Jablochkoff “Candle” 31
Commercial Introduction of the Differentially Controlled Arc Lamp 33
Arc Lighting in the United States 33
Other American Arc Light Systems 40
“Sub-Dividing the Electric Light” 42
Edison’s Invention of a Practical Incandescent Lamp 43
Edison’s Three-Wire System 53
Development of the Alternating Current Constant Potential System 54
Incandescent Lamp Developments, 1884–1894 56
The Edison “Municipal” Street Lighting System 62
The Shunt Box System for Series Incandescent Lamps 64
The Enclosed Arc Lamp 65
The Flame Arc Lamp 67
The Constant Current Transformer for Series Circuits 69
Enclosed Series Alternating Current Arc Lamps 69
Series Incandescent Lamps on Constant Current Transformers 70
The Nernst Lamp 71
The Cooper-Hewitt Lamp 72
The Luminous or Magnetite Arc Lamp 74
Mercury Arc Rectifier for Magnetite Arc Lamps 77iv
Incandescent Lamp Developments, 1894–1904 78
The Moore Tube Light 79
The Osmium Lamp 82
The Gem Lamp 82
The Tantalum Lamp 84
Invention of the Tungsten Lamp 85
Drawn Tungsten Wire 87
The Quartz Mercury Vapor Arc Lamp 88
The Gas-Filled Tungsten Lamp 89
Types and Sizes of Tungsten Lamps Now Made 91
Standard Voltages 93
Cost of Incandescent Electric Light 93
Statistics Regarding the Present Demand for Lamps 94
Selected Bibliography 95

v

LIST OF ILLUSTRATIONS

  PAGE
Portion of the Electrical Exhibit in the United States National Museum viii
Otto Von Guericke’s Electric Machine, 1650 2
Voltaic Pile, 1799 4
Faraday’s Dynamo, 1831 8
Pixii’s Dynamo, 1832 9
Daniell’s Cell, 1836 10
Grove’s Cell, 1838 11
Grove’s Incandescent Lamp, 1840 13
De Moleyns’ Incandescent Lamp, 1841 14
Wright’s Arc Lamp, 1845 15
Archereau’s Arc Lamp, 1848 16
Starr’s Incandescent Lamp, 1845 18
Staite’s Incandescent Lamp, 1848 19
Roberts’ Incandescent Lamp, 1852 19
Farmer’s Incandescent Lamp, 1859 20
Roberts’ Arc Lamp, 1852 21
Slater and Watson’s Arc Lamp, 1852 21
Diagram of “Differential” Method of Control of an Arc Lamp 22
Lacassagne and Thiers’ Differentially Controlled Arc Lamp, 1856 23
Serrin’s Arc Lamp, 1857 24
Siemens’ Dynamo, 1856 25
Alliance Dynamo, 1862 26
Wheatstone’s Self-Excited Dynamo, 1866 27
Gramme’s Dynamo, 1871 28
Gramme’s “Ring” Armature 28
Alteneck’s Dynamo with “Drum” Wound Armature, 1872 29
Lodyguine’s Incandescent Lamp, 1872 30
Konn’s Incandescent Lamp, 1875 30
Bouliguine’s Incandescent Lamp, 1876 31
Jablochkoff “Candle,” 1876 32
Jablochkoff’s Alternating Current Dynamo, 1876 33
Wallace-Farmer Arc Lamp, 1875 34
Wallace-Farmer Dynamo, 1875 34
Weston’s Arc Lamp, 1876 35
Brush’s Dynamo, 1877 36
Diagram of Brush Armature 36
Brush’s Arc Lamp, 1877 37
Thomson-Houston Arc Dynamo, 1878 38
Diagram of T-H Arc Lighting System 39
Thomson-Houston Arc Lamp, 1878 40
Thomson Double Carbon Arc Lamp 40
Maxim Dynamo 41
Sawyer’s Incandescent Lamp, 1878 42
Farmer’s Incandescent Lamp, 1878 42
Maxim’s Incandescent Lamp, 1878 43
Edison’s First Experimental Lamp, 1878 44vi
Diagram of Constant Current Series System 45
Diagram of Edison’s Multiple System, 1879 45
Edison Dynamo, 1879 46
Edison’s High Resistance Platinum Lamp, 1879 47
Edison’s High Resistance Platinum in Vacuum Lamp, 1879 47
Edison’s Carbon Lamp of October 21, 1879 48
Demonstration of Edison’s Incandescent Lighting System 49
Dynamo Room, S. S. Columbia 50
Original Socket for Incandescent Lamps 51
Wire Terminal Base Lamp, 1880 51
Original Screw Base Lamp, 1880 52
Improved Screw Base Lamp, 1881 52
Final Form of Screw Base, 1881 53
Diagram of Edison’s Three Wire System, 1881 54
Diagram of Stanley’s Alternating Current Multiple System, 1885 55
Standard Edison Lamp, 1884 56
Standard Edison Lamp, 1888 56
Standard Edison Lamp, 1894 57
Various Bases in Use, 1892 58
Thomson-Houston Socket 59
Westinghouse Socket 59
Adapters for Edison Screw Sockets, 1892 60
Various Series Bases in Use, 1892 61
Edison “Municipal” System, 1885 62
Edison “Municipal” Lamp, 1885 63
Shunt Box System, 1887 64
Enclosed Arc Lamp, 1893 65
Open Flame Arc Lamp, 1898 66
Enclosed Flame Arc Lamp, 1908 66
Constant Current Transformer, 1900 68
Series Incandescent Lamp Socket with Film Cutout, 1900 70
Nernst Lamp, 1900 71
Diagram of Nernst Lamp 72
Cooper-Hewitt Mercury Vapor Arc Lamp, 1901 73
Diagram of Cooper-Hewitt Lamp for Use on Alternating Current 74
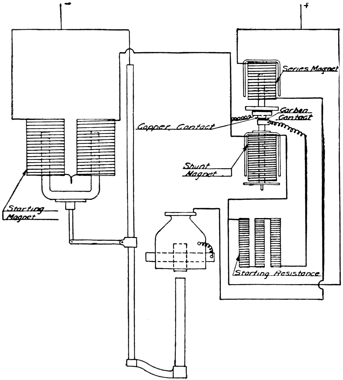
Luminous or Magnetite Arc Lamp, 1902 75
Diagram of Series Magnetite Arc Lamp 76
Mercury Arc Rectifier Tube for Series Magnetite Arc Circuits, 1902 77
Early Mercury Arc Rectifier Installation 78
The Moore Tube Light, 1904 79
Diagram of Feeder Valve of Moore Tube 80
Osmium Lamp, 1905 82
Gem Lamp, 1905 83
Tantalum Lamp, 1906 84
Tungsten Lamp, 1907 86
Drawn Tungsten Wire Lamp, 1911 87
Quartz Mercury Vapor Lamp, 1912 88
Gas Filled Tungsten Lamp, 1913 89
Gas Filled Tungsten Lamp, 1923 90
Standard Tungsten Lamps, 1923 92

viii

Portion of the Electrical Exhibit in the United States National Museum.

Section devoted to the historical development of the electric light and dynamo.


ix

FOREWORD

In the year 1884 a Section of Transportation was organized in the United States National Museum for the purpose of preparing and assembling educational exhibits of a few objects of railroad machinery which had been obtained both from the Centennial Exhibition held in Philadelphia in 1876 and still earlier as incidentals to ethnological collections, and to secure other collections relating to the railway industry.

From this beginning the section was expanded to include the whole field of engineering and is designated at present as the Divisions of Mineral and Mechanical Technology. The growth and enlargement of the collections has been particularly marked in the fields of mining and mineral industries; mechanical engineering, especially pertaining to the steam engine, internal combustion engine and locomotive; naval architecture, and electrical engineering, particularly the development of the telegraph, telephone and the electric light.

In the acquisition of objects visualizing the history of electric light the Museum has been rather fortunate, particularly as regards the developments in the United States. Thus mention may be made of the original Patent Office models of the more important dynamos, arc lights and incandescent lights, together with original commercial apparatus after these models; a unit of the equipment used in the first commercially successful installation on land of an incandescent lighting system, presented by Joseph E. Hinds in whose engraving establishment in New York City the installation was made in 1881; and a large series of incandescent lights, mainly originals, visualizing chronologically the developments of the Edison light from its inception, presented at intervals since the year 1898 by the General Electric Company.

The object of all collections in the Divisions is to visualize broadly the steps by which advances have been made in each field of engineering; to show the layman the fundamental and general principles which are the basis for the developments; and to familiarize the engineer with branches of engineering other than his own. Normally when a subject is completely covered by a collection of objects, a paper is prepared and published describing the collection and the story it portrays. In the present instance, however, on account of the uncertainty ofx the time of completing the collection, if it is possible ever to bring this about, it was thought advisable to publish Mr. Schroeder’s paper which draws upon the Museum collection as completely as possible.

Carl W. Mitman,
Curator, Divisions of Mineral and
Mechanical Technology,
U. S. National Museum.


xi

CHRONOLOGY OF ELECTRIC LIGHT

1800—Allesandro Volta demonstrated his discovery that electricity can be generated by chemical means. The Volt, the unit of electric pressure, is named in his honor for this discovery of the electric battery.

1802—Sir Humphry Davy demonstrated that electric current can heat carbon and strips of metal to incandescence and give light.

1809—Sir Humphry Davy demonstrated that current will give a brilliant flame between the ends of two carbon pencils which are first allowed to touch each other and then pulled apart. This light he called the “arc” on account of its arch shape.

1820—André Marie Ampère discovered that current flowing through a coiled wire gives it the properties of a magnet. The Ampere, the unit of flow of electric current, is named in his honor for this discovery.

1825—Georg Simon Ohm discovered the relation between the voltage, ampereage and resistance in an electric circuit, which is called Ohm’s Law. The Ohm, the unit of electric resistance, is named in his honor for this discovery.

1831—Michael Faraday discovered that electricity can be generated by moving a wire in the neighborhood of a magnet, the principle of the dynamo.

1840—Sir William Robert Grove demonstrated his experimental incandescent lamp in which platinum is made incandescent by current flowing through it.

1841—Frederick De Moleyns obtained the first patent on an incandescent lamp. The burner was powdered charcoal operating in an exhausted glass globe.

1845—Thomas Wright obtained the first patent on an arc light.

1845—J. W. Starr invented an incandescent lamp consisting of a carbon pencil operating in the vacuum above a column of mercury.

1856—Joseph Lacassagne and Henry Thiers invented the “differential” method of control of the arc which was universally used twenty years later when the arc lamp was commercially established.

1862—The first commercial installation of an electric light. An arc light was put in a lighthouse in England.

xii

1866—Sir Charles Wheatstone invented the “self-excited” dynamo, now universally used.

1872—Lodyguine invented an incandescent lamp having a graphite burner operating in nitrogen gas.

1876—Paul Jablochkoff invented the “electric candle,” an arc light commercially used for lighting the boulevards in Paris.

1877–8—Arc light systems commercially established in the United States by William Wallace and Prof. Moses Farmer, Edward Weston, Charles F. Brush and Prof. Elihu Thomson and Edwin J. Houston.

1879—Thomas Alva Edison invented an incandescent lamp consisting of a high resistance carbon filament operating in a high vacuum maintained by an all glass globe. These principles are used in all incandescent lamps made today. He also invented a completely new system of distributing electricity at constant pressure, now universally used.

1882—Lucien Goulard and John D. Gibbs invented a series alternating current system of distributing electric current. This has not been commercially used.

1886—William Stanley invented a constant pressure alternating current system of distribution. This is universally used where current is to be distributed long distances.

1893—Louis B. Marks invented the enclosed carbon arc lamp.

1898—Bremer’s invention of the flame arc lamp, having carbons impregnated with various salts, commercially established.

1900—Dr. Walther Nernst’s invention of the Nernst lamp commercially established. The burner consisted of various oxides, such as zirconia, which operated in the open air.

1901—Dr. Peter Cooper Hewitt’s invention of the mercury arc light commercially established.

1902—The magnetite arc lamp was developed by C. A. B. Halvorson, Jr. This has a new method of control of the arc. The negative electrode consists of a mixture of magnetite and other substances packed in an iron tube.

1904—D. McFarlan Moore’s invention of the Moore vacuum tube light commercially established. This consisted of a long tube, made in lengths up to 200 feet, from which the air had been exhausted to about a thousandth of an atmosphere. High voltage current passing through this rarefied atmosphere caused it to glow. Rarefied carbon dioxide gas was later used.

xiii

1905—Dr. Auer von Welsbach’s invention of the osmium incandescent lamp commercially established, but only on a small scale in Europe. The metal osmium, used for the filament which operated in vacuum, is rarer and more expensive than platinum.

1905—Dr. Willis R. Whitney’s invention of the Gem incandescent lamp commercially established. The carbon filament had been heated to a very high temperature in an electric resistance furnace invented by him. The lamp was 25 per cent more efficient than the regular carbon lamp.

1906—Dr. Werner von Bolton’s invention of the tantalum incandescent lamp commercially established.

1907—Alexander Just and Franz Hanaman’s invention of the tungsten filament incandescent lamp commercially established.

1911—Dr. William D. Coolidge’s invention of drawn tungsten wire commercially established.

1913—Dr. Irving Langmuir’s invention of the gas-filled tungsten filament incandescent lamp commercially established.


1

HISTORY OF ELECTRIC LIGHT

By HENRY SCHROEDER,
HARRISON, NEW JERSEY.

EARLY RECORDS OF ELECTRICITY AND MAGNETISM

About twenty-five centuries ago, Thales, a Greek philosopher, recorded the fact that if amber is rubbed it will attract light objects. The Greeks called amber “elektron,” from which we get the word “electricity.” About two hundred and fifty years later, Aristotle, another Greek philosopher, mentioned that the lodestone would attract iron. Lodestone is an iron ore (Fe3O4), having magnetic qualities and is now called magnetite. The word “magnet” comes from the fact that the best specimens of lodestones came from Magnesia, a city in Asia Minor. Plutarch, a Greek biographer, wrote about 100 A. D., that iron is sometimes attracted and at other times repelled by a lodestone. This indicates that the piece of iron was magnetised by the lodestone.

In 1180, Alexander Neckham, an English Monk, described the compass, which probably had been invented by sailors of the northern countries of Europe, although its invention has been credited to the Chinese. Early compasses probably consisted of an iron needle, magnetised by a lodestone, mounted on a piece of wood floating in water. The word lodestone or “leading stone” comes from the fact that it would point towards the north if suspended like a compass.

William Gilbert, physician to Queen Elizabeth of England, wrote a book about the year 1600 giving all the information then known on the subject. He also described his experiments, showing, among other things, the existence of magnetic lines of force and of north and south poles in a magnet. Robert Norman had discovered a few years previously that a compass needle mounted on a horizontal axis would dip downward. Gilbert cut a large lodestone into a sphere, and observed that the needle did not dip at the equator of this sphere, the dip increasing to 90 degrees as the poles were approached. From this he deduced that the earth was a magnet with the magnetic north pole at the geographic north pole. It has since been determined that these two poles do not coincide. Gilbert suggested the use of the dipping needle to determine latitude. He also discovered that other substances, beside amber, would attract light objects if rubbed.


2

MACHINES GENERATING ELECTRICITY BY FRICTION

Otto Von Guericke was mayor of the city of Magdeburg as well as a philosopher. About 1650 he made a machine consisting of a ball of sulphur mounted on a shaft which could be rotated. Electricity was generated when the hand was pressed against the globe as it rotated. He also discovered that electricity could be conducted away from the globe by a chain and would appear at the other end of the chain. Von Guericke also invented the vacuum air pump. In 1709, Francis Hawksbee, an Englishman, made a similar machine, using a hollow glass globe which could be exhausted. The exhausted globe when rotated at high speed and rubbed by hand would produce a glowing light. This “electric light” as it was called, created great excitement when it was shown before the Royal Society, a gathering of scientists, in London.

Otto Von Guericke’s Electric Machine, 1650.

A ball of sulphur was rotated, electricity being generated when it rubbed against the hand.

Stephen Gray, twenty years later, showed the Royal Society that electricity could be conducted about a thousand feet by a hemp thread, supported by silk threads. If metal supports were used, this could not be done. Charles du Fay, a Frenchman, repeated Gray’s experiments, and showed in 1733 that the substances which were insulators, and3 which Gilbert had discovered, would become electrified if rubbed. Those substances which Gilbert could not electrify were conductors of electricity.


THE LEYDEN JAR

The thought came to Von Kleist, Bishop of Pomerania, Germany, about 1745, that electricity could be stored. The frictional machines generated so small an amount of electricity (though, as is now known, at a very high pressure—several thousand volts) that he thought he could increase the quantity by storing it. Knowing that glass was an insulator and water a conductor, he filled a glass bottle partly full of water with a nail in the cork to connect the machine with the water. Holding the bottle in one hand and turning the machine with the other for a few minutes, he then disconnected the bottle from the machine. When he touched the nail with his other hand he received a shock which nearly stunned him. This was called the Leyden jar, the forerunner of the present condenser. It received its name from the fact that its discovery was also made a short time after by experimenters in the University of Leyden. Further experiments showed that the hand holding the bottle was as essential as the water inside, so these were substituted by tin foil coatings inside and outside the bottle.

Benjamin Franklin, American statesman, scientist and printer, made numerous experiments with the Leyden jar. He connected several jars in parallel, as he called it, which gave a discharge strong enough to kill a turkey. He also connected the jars in series, or “in cascade” as he called it, thus establishing the principle of parallel and series connections. Noticing the similarity between the electric spark and lightning, Franklin in 1752, performed his famous kite experiment. Flying a kite in a thunderstorm, he drew electricity from the clouds to charge Leyden jars, which were later discharged, proving that lightning and electricity were the same. This led him to invent the lightning rod.


ELECTRICITY GENERATED BY CHEMICAL MEANS

Luigi Galvani was an Italian scientist. About 1785, so the story goes, his wife was in delicate health, and some frog legs were being skinned to make her a nourishing soup. An assistant holding the legs with a metal clamp and cutting the skin with a scalpel, happened to let the clamp and scalpel touch each other. To his amazement the frog legs twitched. Galvani repeated the experiment many times4 by touching the nerve with a metal rod and the muscle with a different metal rod and allowing the rods to touch, and propounded the theory of animal electricity in a paper he published in 1791.

Allesandro Volta, a professor of physics in the University of Pavia, Italy, read about Galvani’s work and repeated his experiments. He found that the extent of the movement of the frog legs depended on the metals used for the rods, and thus believed that the electric charge was produced by the contact of dissimilar metals with the moisture in the muscles. To prove his point he made a pile of silver and zinc discs with cloths, wet with salt water, between them. This was in 1799, and he described his pile in March, 1800, in a letter to the Royal Society in London.

Voltaic Pile, 1799.

Volta discovered that electricity could be generated by chemical means and made a pile of silver and zinc discs with cloths, wet with salt water, between them. This was the forerunner of the present-day dry battery. Photograph courtesy Prof. Chas. F. Chandler Museum, Columbia University, New York.

This was an epoch-making discovery as it was the forerunner of the present-day primary battery. Volta soon found that the generation of electricity became weaker as the cloths became dry, so to overcome this he made his “crown of cups.” This consisted of a series of cups containing salt water in which strips of silver and zinc were dipped. Each strip of silver in one cup was connected to the zinc strip in the next cup, the end strips of silver and zinc being terminals of the battery. This was the first time that a continuous supply of5 electricity in reasonable quantities was made available, so the Volt, the unit of electrical pressure was named in his honor. It was later shown that the chemical affinity of one of the metals in the liquid was converted into electric energy. The chemical action of Volta’s battery is that the salt water attacks the zinc when the circuit is closed forming zinc chloride, caustic soda and hydrogen gas. The chemical equation is:

Zn + 2NaCl + 2H2O = ZnCl2 + 2NaOH + H2


IMPROVEMENT OF VOLTA’S BATTERY

It was early suggested that sheets of silver and zinc be soldered together back to back and that a trough be divided into cells by these bimetal sheets being put into grooves cut in the sides and bottom of the trough. This is the reason why one unit of a battery is called a “cell.” It was soon found that a more powerful cell could be made if copper, zinc and dilute sulphuric acid were used. The zinc is dissolved by the acid forming zinc sulphate and hydrogen gas, thus:

Zn + H2SO4 = ZnSO4 + H2

The hydrogen gas appears as bubbles on the copper and reduces the open circuit voltage (about 0.8 volt per cell) as current is taken from the battery. This is called “polarization.” Owing to minute impurities in the zinc, it is attacked by the acid even when no current is taken from the battery, the impurities forming with the zinc a short circuited local cell. This is called “local action,” and this difficulty was at first overcome by removing the zinc from the acid when the battery was not in use.


DAVY’S DISCOVERIES

Sir Humphry Davy was a well-known English chemist, and with the aid of powerful batteries constructed for the Royal Institution in London, he made numerous experiments on the chemical effects of electricity. He decomposed a number of substances and discovered the elements boron, potassium and sodium. He heated strips of various metals to incandescence by passing current through them, and showed that platinum would stay incandescent for some time without oxidizing. This was about 1802.

In the early frictional machines, the presence of electricity was shown by the fact that sparks could be obtained. Similarly the breaking of the circuit of a battery would give a spark. Davy, about 1809, demonstrated that this spark could be maintained for a long time with6 the large battery of 2000 cells he had had constructed. Using two sticks of charcoal connected by wires to the terminals of this very powerful battery, he demonstrated before the Royal Society the light produced by touching the sticks together and then holding them apart horizontally about three inches. The brilliant flame obtained he called an “arc” because of its arch shape, the heated gases, rising, assuming this form. Davy was given the degree of LL. D. for his distinguished research work, and was knighted on the eve of his marriage, April 11, 1812.


RESEARCHES OF OERSTED, AMPÈRE, SCHWEIGGER AND STURGEON

Hans Christian Oersted was a professor of physics at the University of Copenhagen in Denmark. One day in 1819, while addressing his students, he happened to hold a wire, through which current was flowing, over a large compass. To his surprise he saw the compass was deflected from its true position. He promptly made a number of experiments and discovered that by reversing the current the compass was deflected in the opposite direction. Oersted announced his discovery in 1820.

André Marie Ampère was a professor of mathematics in the Ecole Polytechnic in Paris. Hearing of Oersted’s discovery, he immediately made some experiments and made the further discovery in 1820 that if the wire is coiled and current passed through it, the coil had all the properties of a magnet.

These two discoveries led to the invention of Schweigger in 1820, of the galvanometer (or “multiplier” as it was then called), a very sensitive instrument for measuring electric currents. It consisted of a delicate compass needle suspended in a coil of many turns of wire. Current in the coil deflected the needle, the direction and amount of deflection indicating the direction and strength of the current. Ampère further made the discovery that currents in opposite directions repel and in the same directions attract each other. He also gave a rule for determining the direction of the current by the deflection of the compass needle. He developed the theory that magnetism is caused by electricity flowing around the circumference of the body magnetised. The Ampere, the unit of flow of electric current, was named in honor of his discoveries.

In 1825 it was shown by Sturgeon that if a bar of iron were placed in the coil, its magnetic strength would be very greatly increased, which he called an electro-magnet.


7

OHM’S LAW

Georg Simon Ohm was born in Bavaria, the oldest son of a poor blacksmith. With the aid of friends he went to college and became a teacher. It had been shown that the rate of transfer of heat from one end to the other of a metal bar is proportional to the difference of temperature between the ends. About 1825, Ohm, by analogy and experiment, found that the current in a conductor is proportional to the difference of electric pressure (voltage) between its ends. He further showed that with a given difference of voltage, the current in different conductors is inversely proportional to the resistance of the conductor. Ohm therefore propounded the law that the current flowing in a circuit is equal to the voltage on that circuit divided by the resistance of the circuit. In honor of this discovery, the unit of electrical resistance is called the Ohm. This law is usually expressed as:

C = E/R

“C” meaning current (in amperes), “E” meaning electromotive force or voltage (in volts) and “R” meaning resistance (in ohms).

This is one of the fundamental laws of electricity and if thoroughly understood, will solve many electrical problems. Thus, if any two of the above units are known, the third can be determined. Examples: An incandescent lamp on a 120-volt circuit consumes 0.4 ampere, hence its resistance under such conditions is 300 ohms. Several trolley cars at the end of a line take 100 amperes to run them and the resistance of the overhead wire from the power house to the trolley cars is half an ohm; the drop in voltage on the line between the power house and trolley cars is therefore 50 volts, so that if the voltage at the power house were 600, it would be 550 volts at the end of the line.

Critics derided Ohm’s law so that he was forced out of his position as teacher in the High School in Cologne. Finally after ten years Ohm began to find supporters and in 1841 his law was publicly recognized by the Royal Society of London which presented him with the Copley medal.


INVENTION OF THE DYNAMO

Michael Faraday was an English scientist. Born of parents in poor circumstances, he became a bookbinder and studied books on electricity and chemistry. He finally obtained a position as laboratory assistant to Sir Humphry Davy helping him with his lectures and8 experiments. He also made a number of experiments himself and succeeded in liquifying chlorine gas for which he was elected to a Fellowship in the Royal Institution in 1824. Following up Oersted’s and Ampère’s work, he endeavored to find the relation between electricity and magnetism. Finally on Oct. 17, 1831, he made the experiment of moving a permanent bar magnet in and out of a coil of wire connected to a galvanometer. This generated electricity in the coil which deflected the galvanometer needle. A few days after, Oct. 28, 1831, he mounted a copper disk on a shaft so that the disk could be rotated between the poles of a permanent horseshoe magnet. The shaft and edge of the disk were connected by brushes and wires to a galvanometer, the needle of which was deflected as the disk was rotated. A paper on his invention was read before the Royal Society on November 24, 1831, which appeared in printed form in January, 1832.

Faraday’s Dynamo, 1831.

Faraday discovered that electricity could be generated by means of a permanent magnet. This principle is used in all dynamos.

Faraday did not develop his invention any further, being satisfied, as in all his work, in pure research. His was a notable invention but it remained for others to make it practicable. Hippolyte Pixii, a Frenchman, made a dynamo in 1832 consisting of a permanent horseshoe magnet which could be rotated between two wire bobbins mounted on a soft iron core. The wires from the bobbins were connected9 to a pair of brushes touching a commutator mounted on the shaft holding the magnet, and other brushes carried the current from the commutator so that the alternating current generated was rectified into direct current.

Pixii’s Dynamo, 1832.

Pixii made an improvement by rotating a permanent magnet in the neighborhood of coils of wire mounted on a soft iron core. A commutator rectified the alternating current generated into direct current. This dynamo is in the collection of the Smithsonian Institution.

E. M. Clarke, an Englishman made, in 1834, another dynamo in which the bobbins rotated alongside of the poles of a permanent horseshoe magnet. He also made a commutator so that the machine produced direct current. None of these machines gave more than feeble current at low pressure. The large primary batteries that had been made were much more powerful, although expensive to operate. It has been estimated that the cost of current from the 2000-cell battery to operate the demonstration of the arc light by Davy, was six dollars a minute. At present retail rates for electricity sold by10 lighting companies, six dollars would operate Davy’s arc light about 500 hours or 30,000 times as long.


DANIELL’S BATTERY

Daniell’s Cell, 1836.

Daniell invented a battery consisting of zinc, copper and copper sulphate. Later the porous cup was dispensed with, which was used to keep the sulphuric acid formed separate from the solution of copper sulphate, the two liquids then being kept apart by their difference in specific gravity. It was then called the Gravity Battery and for years was used in telegraphy.

It was soon discovered that if the zinc electrode were rubbed with mercury (amalgamated), the local action would practically cease, and if the hydrogen bubbles were removed, the operating voltage of the cell would be increased. John Frederic Daniell, an English chemist, invented a cell in 1836 to overcome these difficulties. His cell consisted of a glass jar containing a saturated solution of copper sulphate (CuSO4). A copper cylinder, open at both ends and perforated with holes, was put into this solution. On the outside of the copper cylinder there was a copper ring, located below the surface of the solution, acting as a shelf to support crystals of copper sulphate. Inside the cylinder there was a porous earthenware jar containing dilute sulphuric acid and an amalgamated zinc rod. The two liquids were therefore kept apart but in contact with each other through the pores of the jar. The hydrogen gas given off by the action of the11 sulphuric acid on the zinc, combined with the dissolved copper sulphate, formed sulphuric acid and metallic copper. The latter was deposited on the copper cylinder which acted as the other electrode. Thus the copper sulphate acted as a depolarizer.

The chemical reactions in this cell are,

In inner porous jar: Zn + H2SO4 = ZnSO4 + H2
In outer glass jar: H2 + CuSO4 = H2SO4 + Cu

This cell had an open circuit voltage of a little over one volt. Later the porous cup was dispensed with, the two liquids being kept apart by the difference of their specific gravities. This was known as the Gravity cell, and for years was used in telegraphy.

Grove’s Cell, 1838.

This consisted of zinc, sulphuric acid, nitric acid and platinum. It made a very powerful battery. The nitric acid is called the depolarizer as it absorbs the hydrogen gas formed, thus improving the operating voltage.


GROVE’S BATTERY

Sir William Robert Grove, an English Judge and scientist, invented a cell in 1838 consisting of a platinum electrode in strong nitric acid in a porous earthenware jar. This jar was put in dilute sulphuric acid in a glass jar in which there was an amalgamated zinc plate for the other electrode. This had an open circuit voltage of about 1.9 volts. The porous jar was used to prevent the nitric acid from attacking the zinc. The nitric acid was used for the purpose of combining with the12 hydrogen gas set free by the action of the sulphuric acid on the zinc, and hence was the depolarizing agent. Hydrogen combining with nitric acid forms nitrous peroxide and water. Part of the nitrous peroxide is dissolved in the water, and the rest escapes as fumes which, however, are very suffocating.

The chemical equations of this cell are as follows:

In outer glass jar: Zn + H2SO4 = ZnSO4 + H2
In inner porous jar: H2 + 2HNO3 = N2O4 + 2H2O

An interesting thing about Grove’s cell is that it was planned in accordance with a theory. Grove knew that the electrical energy of the zinc-sulphuric acid cell came from the chemical affinity of the two reagents, and if the hydrogen gas set free could be combined with oxygen (to form water—H2O), such chemical affinity should increase the strength of the cell. As the hydrogen gas appears at the other electrode, the oxidizing agent should surround that electrode. Nitric acid was known at that time as one of the most powerful oxidizing liquids, but as it attacks copper, he used platinum for the other electrode. Thus he not only overcame the difficulty of polarization by the hydrogen gas, but also increased the voltage of the cell by the added chemical action of the combination of hydrogen and oxygen.


GROVE’S DEMONSTRATION OF INCANDESCENT LIGHTING

In 1840 Grove made an experimental lamp by attaching the ends of a coil of platinum wire to copper wires, the lower parts of which were well varnished for insulation. The platinum wire was covered by a glass tumbler, the open end set in a glass dish partly filled with water. This prevented draughts of air from cooling the incandescent platinum, and the small amount of oxygen of the air in the tumbler reduced the amount of oxidization of the platinum that would otherwise occur. With current supplied by a large number of cells of his battery, he lighted the auditorium of the Royal Institution with these lamps during one of the lectures he gave. This lamp gave only a feeble light as there was danger of melting the platinum and platinum gives but little light unless operated close to its melting temperature. It also required a lot of current to operate it as the air tended to cool the incandescent platinum. The demonstration was only of scientific interest, the cost of current being much too great (estimated at several hundred dollars a kilowatt hour) to make it commercial.


13

GRENET BATTERY

It was discovered that chromic anhydride gives up oxygen easier than nitric acid and consequently if used would give a higher voltage than Grove’s nitric acid battery. It also has the advantage of a lesser tendency to attack zinc directly if it happens to come in contact with it. Grenet developed a cell having a liquid consisting of a mixture of potassium bichromate (K2Cr2O7) and sulphuric acid. A porous cell was therefore not used to keep the two liquids apart. This had the advantage of reducing the internal resistance. The chemical reaction was:

K_{2}Cr_{2}O_{7} (potassium bichromate) + 7H_{2}SO_{4} (sulphuric acid) + 3Zn (zinc) = 3ZnSO4 (zinc sulphate) + K2SO4 (potassium sulphate) + Cr2 (SO4)3 (chromium sulphate) + 7H2O (water).

In order to prevent the useless consumption of zinc on open circuit, the zinc was attached to a sliding rod and could be drawn up into the neck of the bottle-shaped jar containing the liquid.

Grove’s Incandescent Lamp, 1840.

Grove made an experimental lamp, using platinum for the burner which was protected from draughts of air by a glass tumbler.


DE MOLEYNS’ INCANDESCENT LAMP

Frederick De Moleyns, an Englishman, has the honor of having obtained the first patent on an incandescent lamp. This was in 1841 and his lamp was quite novel. It consisted of a spherical glass globe, in the upper part of which was a tube containing powdered charcoal. This tube was open at the bottom inside the globe and through it ran a14 platinum wire, the end below the tube being coiled. Another platinum wire coiled at its upper end came up through the lower part of the globe but did not quite touch the other platinum coil. The powdered charcoal filled the two coils of platinum wire and bridged the gap between. Current passing through this charcoal bridge heated it to incandescence. The air in the globe having been removed as far as was possible with the hand air pumps then available, the charcoal did not immediately burn up, the small amount consumed being replaced by the supply in the tube. The idea was ingenious but the lamp was impractical as the globe rapidly blackened from the evaporation of the incandescent charcoal.

De Moleyns’ Incandescent Lamp, 1841.

This consisted of two coils of platinum wire containing powdered charcoal operating in a vacuum. It is only of interest as the first incandescent lamp on which a patent (British) was granted.


EARLY DEVELOPMENTS OF THE ARC LAMP

It had been found that most of the light of the arc came from the tip of the positive electrode, and that the charcoal electrodes were rapidly consumed, the positive electrode about twice as fast as the negative. Mechanisms were designed to take care of this, together with devices to start the arc by allowing the electrodes to touch each other and then pulling them apart the proper distance. This distance varied from one-eighth to three-quarters of an inch.

15

In 1840 Bunsen, the German chemist who invented the bunsen burner, devised a process for making hard dense carbon pencils which lasted much longer than the charcoal previously used. The dense carbon from the inside of the retorts of gas making plants was ground up and mixed with molasses, moulded into shape and baked at a high temperature. Bunsen also, in 1843, cheapened Grove’s battery by substituting a hard carbon plate in place of the platinum electrode.

Wright’s Arc Lamp, 1845.

This lamp is also only of interest as the first arc lamp on which a patent (British) was granted. Four arcs played between the five carbon discs.

Thomas Wright, an Englishman, was the first to patent an arc lamp. This was in 1845, and the lamp was a hand regulated device consisting of five carbon disks normally touching each other and rotated by clockwork. Two of the disks could be drawn outward by thumb screws, which was to be done after the current was turned on thus establishing four arcs, one between each pair of disks. The next year, 1846, W. E. Staite, another Englishman, made an arc lamp having two vertical carbon pencils. The upper was stationary. The lower was movable and actuated by clockwork directed by ratchets which in turn were regulated by an electro-magnet controlled by the current flowing through the arc. Thus the lower carbon would be moved up or down as required.

Archereau, a Frenchman, made a very simple arc lamp in 1848. The upper carbon was fixed and the lower one was mounted on a16 piece of iron which could be drawn down into a coil of wire. The weight of the lower electrode was overbalanced by a counterweight, so that when no current was flowing the two carbons would touch. When current was turned on, it flowed through the two carbons and through the coil of wire (solenoid) which then became energized and pulled the lower carbon down, thus striking the arc. Two of these arc lamps were installed in Paris and caused considerable excitement. After a few weeks of unreliable operation, it was found that the cost of current from the batteries was much too great to continue their use commercially. The dynamo had not progressed far enough to permit its use.

Archereau’s Arc Lamp, 1848.

This simple arc was controlled by an electro-magnet, and two lamps were installed for street lighting in Paris, current being obtained from batteries.


JOULE’S LAW

Joule was an Englishman, and in 1842 began investigating the relation between mechanical energy and heat. He first showed that, by allowing a weight to drop from a considerable height and turn a paddle wheel in water, the temperature of the water would increase in relation to the work done in turning the wheel. It is now known that 778 foot-pounds (1 lb. falling 778 feet, 10 lbs. falling 77.8 feet or 778 lbs. falling one foot, etc.) is the mechanical equivalent of energy equal to raising one pound of water one degree Fahrenheit.17 The rate of energy (power) is the energy divided by a unit of time; thus one horsepower is 33,000 foot-pounds per minute. Joule next investigated the relation between heat and electric current. He made a device consisting of a vessel of water in which there were a thermometer and an insulated coil of wire having a considerable resistance. He found that an electric current heated the water, and making many combinations of the amount and length of time of current flowing and of the resistance of the wire, he deduced the law that the energy in an electric circuit is proportional to the square of the amount of current flowing multiplied by the length of time and multiplied by the resistance of the wire.

The rate of electrical energy (electric power) is therefore proportional to the square of current multiplied by the resistance. The electrical unit of power is now called the Watt, named in honor of James Watt, the Englishman, who made great improvements to the steam engine about a century ago. Thus, watts = C2R and substituting the value of R from Ohm’s law, C = E/R, we get

Watts = Volts × Amperes

The watt is a small unit of electric power, as can be seen from the fact that 746 watts are equal to one horsepower. The kilowatt, kilo being the Greek word for thousand, is 1000 watts.

This term is an important one in the electrical industry. For example, dynamos are rated in kilowatts, expressed as KW; the largest one made so far is 50,000 KW which is 66,666 horsepower. Edison’s first commercial dynamo had a capacity of 6 KW although the terms watts and kilowatts were not in use at that time. The ordinary sizes of incandescent lamps now used in the home are 25, 40 and 50 watts.


STARR’S INCANDESCENT LAMP

Starr’s Incandescent Lamp, 1845.

This consisted of a short carbon pencil operating in the vacuum above a column of mercury.

J. W. Starr, an American, of Cincinnati, Ohio, assisted financially by Peabody, the philanthropist, went to England where he obtained a patent in 1845 on the lamps he had invented, although the patent was taken out under the name of King, his attorney. One is of passing interest only. It consisted of a strip of platinum, the active length of which could be adjusted to fit the battery strength used, and was covered by a glass globe to protect it from draughts of air. The other, a carbon lamp, was the first real contribution to the art. It consisted of a rod of carbon operating in the vacuum above a column of mercury (Torrecellium vacuum) as in a barometer. A heavy platinum wire18 was sealed in the upper closed end of a large glass tube, and connected to the carbon rod by an iron clamp. The lower end of the carbon rod was fastened to another iron clamp, the two clamps being held in place and insulated from each other by a porcelain rod. Attached to the lower clamp was a long copper wire. Just below the lower clamp, the glass tube was narrowed down and had a length of more than 30 inches. The tube was then filled with mercury, the bottom of the tube being put into a vessel partly full of mercury. The mercury ran out of the enlarged upper part of the tube, coming to rest in the narrow part of the tube as in a barometer, so that the carbon rod was then in a vacuum. One lamp terminal was the platinum wire extending through the top of the tube, and the other was the mercury. Several19 of these lamps were put on exhibition in London, but were not a commercial success as they blackened very rapidly. Starr started his return trip to the United States the next year, but died on board the ship when he was but 25 years old.


OTHER EARLY INCANDESCENT LAMPS

Staite’s Incandescent Lamp, 1848.

The burner was of platinum and iridium.

Roberts’ Incandescent Lamp, 1852.

It had a graphite burner operating in vacuum.

In 1848 W. E. Staite, who two years previously had made an arc lamp, invented an incandescent lamp. This consisted of a platinum-iridium burner in the shape of an inverted U, covered by a glass globe. It had a thumb screw for a switch, the whole device being mounted on a bracket which was used for the return wire. E. C. Shepard, another Englishman, obtained a patent two years later on an incandescent lamp consisting of a weighted hollow charcoal cylinder the end of which pressed against a charcoal cone. Current passing through this high resistance contact, heated the charcoal to incandescence. It operated in a glass globe from which the air could be exhausted. M. J. Roberts obtained an English patent in 1852 on an incandescent lamp. This had a graphite rod for a burner, which could be renewed, mounted in a glass globe. The globe was cemented to a metallic cap fastened to a piece of pipe through which the air20 could be exhausted. After being exhausted, the pipe, having a stop cock, could be screwed on a stand to support the lamp.

Moses G. Farmer, a professor at the Naval Training Station at Newport, Rhode Island, lighted the parlor of his home at 11 Pearl Street, Salem, Mass., during July, 1859, with several incandescent lamps having a strip of platinum for the burner. The novel feature of this lamp was that the platinum strip was narrower at the terminals than in the center. Heat is conducted away from the terminals and by making the burner thin at these points, the greater resistance of the ends of the burner absorbed more electrical energy thus offsetting the heat being conducted away. This made a more uniform degree of incandescence throughout the length of the burner, and Prof. Farmer obtained a patent on this principle many years later (1882).

Farmer’s Incandescent Lamp, 1859.

This experimental platinum lamp was made by Professor Farmer and several of them lighted the parlor of his home in Salem, Mass.


FURTHER ARC LAMP DEVELOPMENTS

During the ten years, 1850 to 1860, several inventors developed arc lamp mechanisms. Among them was M. J. Roberts, who had invented the graphite incandescent lamp. In Roberts’ arc lamp, which he patented in 1852, the lower carbon was stationary. The upper carbon fitted snugly into an iron tube. In the tube was a brass covered iron rod, which by its weight could push the upper carbon21 down the tube so the two carbons normally were in contact. An electro-magnet in series with the arc was so located that, when energized, it pulled up the iron tube. This magnet also held the brass covered iron rod from pushing the upper carbon down the tube so that the two carbons were pulled apart, striking the arc. When the arc went out, the iron tube dropped back into its original position, the brass covered iron rod was released, pushing the upper carbon down the tube until the two carbons again touched. This closed the circuit again, striking the arc as before.

Roberts’ Arc Lamp, 1852.

The arc was controlled by an electro-magnet which held an iron tube to which the upper carbon was fastened.

Slater and Watson’s Arc Lamp, 1852.

Clutches were used for the first time in this arc lamp to feed the carbons.

In the same year (1852) Slater and Watson obtained an English patent on an arc lamp in which the upper carbon was movable and held in place by two clutches actuated by electro-magnets. The lower carbon was fixed, and normally the two carbons touched each other. When current was turned on, the electro-magnet lifted the clutches which gripped the upper carbon, pulling it up and striking the arc. This was the first time that a clutch was used to allow the carbon to feed as it became consumed.

Henry Chapman, in 1855, made an arc in which the upper carbon was allowed to feed by gravity, but held in place by a chain wound22 around a wheel. On this wheel was a brake actuated by an electro-magnet. The lower carbon was pulled down by an electro-magnet working against a spring. When no current was flowing or when the arc went out, the two carbons touched. With current on, one electro-magnet set the brake and held the upper carbon stationary. The other electro-magnet pulled the lower carbon down, thus striking the arc.

None of these mechanisms regulated the length of the arc. It was not until 1856 that Joseph Lacassagne and Henry Thiers, Frenchmen, invented the so-called “differential” method of control, which made the carbons feed when the arc voltage, and hence length, became too great. This principle was used in commercial arc lamps several years afterward when they were operated on series circuits, as it had the added advantage of preventing the feeding of one arc lamp affecting another on the same circuit. This differential control consists in principle of two electro-magnets, one in series with, and opposing the pull of the other which is in shunt with the arc. The series magnet pulls the carbons apart and strikes the arc. As the arc increases in length, its voltage rises, thereby increasing the current flowing through the shunt magnet. This increases the strength of the shunt magnet and, when the arc becomes too long, the strength of the shunt becomes greater than that of the series magnet, thus making the carbons feed.

Diagram of “Differential” Method of Control of an Arc Lamp.

This principle, invented by Lacassagne and Thiers, was used in all arc lamps when they were commercially introduced on a large scale more than twenty years later.

The actual method adopted by Lacassagne and Thiers was different from this, but it had this principle. They used a column of mercury on which the lower carbon floated. The upper carbon was stationary. The height of the mercury column was regulated by a valve connected23 with a reservoir of mercury. The pull of the series magnet closed the valve fixing the height of the column. The pull of the shunt magnet tended to open the valve, and when it overcame the pull of the series magnet it allowed mercury to flow from the reservoir, raising the height of the column bringing the carbons nearer together. This reduced the arc voltage and shunt magnet strength until the valve closed again. Thus the carbons were always kept the proper distance apart. In first starting the arc, or if the arc should go out, current would only flow through the shunt magnet, bringing the two carbons together until they touched. Current would then flow through the contact of the two carbons and through the series magnet, shutting the valve. There were no means of pulling the carbons apart to strike the arc. Current flowing through the high resistance of the poor contact of the two carbons, heated their tips to incandescence. The incandescent tips would begin to burn away, thus after a time starting an arc. The arc, however, once started was maintained the proper length.

Lacassagne and Thiers’ Differentially Controlled Arc Lamp, 1856.

The lower carbon floated on a column of mercury whose height was “differentially” controlled by series and shunt magnets.

24

In 1857, Serrin took out his first patent on an arc lamp, the general principles of which were the same as in others he made. The mechanism consisted of two drums, one double the diameter of the other. Both carbons were movable, the upper one feeding down, and the lower one feeding up, being connected with chains wound around the drums. The difference in consumption of the two carbons was therefore compensated for by the difference in size of the drums, thus maintaining the location of the arc in a fixed position. A train of wheels controlled by a pawl and regulated by an electro-magnet, controlled the movement of the carbons. The weight of the upper carbon and its holder actuates the train of wheels.

Serrin’s Arc Lamp, 1857.

This type of arc was not differentially controlled but was the first commercial lamp later used. Both carbons were movable, held by chains wound around drums which were controlled by ratchets actuated by an electro-magnet.


DEVELOPMENT OF THE DYNAMO, 1840–1860

During the first few years after 1840 the dynamo was only a laboratory experiment. Woolrich devised a machine which had several pairs of magnets and double the number of coils in order to make the current obtained less pulsating. Wheatstone in 1845 patented the use of electro-magnets in place of permanent magnets. Brett in 1848 suggested that the current, generated in the coils, be allowed to25 flow through a coil surrounding each permanent magnet to further strengthen the magnets. Pulvermacher in 1849 proposed the use of thin plates of iron for the bobbins, to reduce the eddy currents generated in the iron. Sinsteden in 1851 suggested that the current from a permanent magnet machine be used to excite the field coils of an electro-magnet machine.

In 1855 Soren Hjorth, of Copenhagen, Denmark, patented a dynamo having both permanent and electro-magnets, the latter being excited by currents first induced in the bobbins by the permanent magnets. In 1856 Dr. Werner Siemens invented the shuttle wound armature. This consisted of a single coil of wire wound lengthwise and counter sunk in a long cylindrical piece of iron. This revolved between the magnet poles which were shaped to fit the cylindrical armature.

Siemens’ Dynamo, 1856.

This dynamo was an improvement over others on account of the construction of its “shuttle” armature.


THE FIRST COMMERCIAL INSTALLATION OF AN ELECTRIC LIGHT

In 1862 a Serrin type of arc lamp was installed in the Dungeness lighthouse in England. Current was supplied by a dynamo made by26 the Alliance Company, which had been originally designed in 1850 by Nollet, a professor of Physics in the Military School in Brussels. Nollet’s original design was of a dynamo having several rows of permanent magnets mounted radially on a stationary frame, with an equal number of bobbins mounted on a shaft which rotated and had a commutator so direct current could be obtained. A company was formed to sell hydrogen gas for illuminating purposes, the gas to be made by the decomposition of water with current from this machine. Nollet died and the company failed, but it was reorganized as the Alliance Company a few years later to exploit the arc lamp.

Alliance Dynamo, 1862.

This was the dynamo used in the first commercial installation of an arc light in the Dungeness Lighthouse, England, 1862.

About the only change made in the dynamo was to substitute collector rings for the commutator to overcome the difficulties of commutation. Alternating current was therefore generated in this first commercial machine. It had a capacity for but one arc light, which probably consumed less than ten amperes at about 45 volts, hence delivered in the present terminology not over 450 watts or about two-thirds of a horsepower. As the bobbins of the armature undoubtedly had a considerable resistance, the machine had an efficiency of not over 50 per cent and therefore required at least one and a quarter horsepower to drive it.


27

FURTHER DYNAMO DEVELOPMENTS

In the summer of 1886 Sir Charles Wheatstone constructed a self-excited machine on the principle of using the residual magnetism in the field poles to set up a feeble current in the armature which, passing through the field coils, gradually strengthened the fields until they built up to normal strength. It was later found that this idea had been thought of by an unknown man, being disclosed by a clause in a provisional 1858 English patent taken out by his agent. Wheatstone’s machine was shown to the Royal Society in London and a paper on it read before the Society on February 14, 1867. The field coils were shunt wound.

Wheatstone’s Self-Excited Dynamo, 1866.

This machine was the first self-excited dynamo by use of the residual magnetism in the field poles.

Dr. Werner Siemens also made a self-excited machine, having series fields, a paper on which was read before the Academy of Sciences in Berlin on January 17, 1867. This paper was forwarded to the Royal Society in London and presented at the same meeting at which Wheatstone’s dynamo was described. Wheatstone probably preceded Siemens in this re-discovery of the principle of self-excitation, but both are given the merit of it. However, S. A. Varley on December 24, 1866, obtained a provisional English patent on this, which was not published until July, 1867.

28

Gramme’s Dynamo, 1871.

These were commercially used, their main feature being the “ring” wound armature.

Gramme’s “Ring” Armature.

Wire coils, surrounding an iron wire core, were all connected together in an endless ring, each coil being tapped with a wire connected to a commutator bar.

29

In 1870 Gramme, a Frenchman, patented his well-known ring armature. The idea had been previously thought of by Elias, a Hollander, in 1842, and by Pacinnotti, an Italian, as shown by the crude motors (not dynamos) they had made. Gramme’s armature consisted of an iron wire core coated with a bituminous compound in order to reduce the eddy currents. This core was wound with insulated wire coils, all connected together in series as one single endless coil. Each coil was tapped with a wire connected to a commutator bar. His first machine, having permanent magnets for fields, was submitted to the French Academy of Sciences in 1871. Later machines were made with self-excited field coils, which were used in commercial service. They had, however a high resistance armature, so that their efficiency did not exceed 50 per cent.

Alteneck’s Dynamo with “Drum” Wound Armature, 1872.

The armature winding was entirely on the surface of the armature core, a principle now used in all dynamos.

Von Hefner Alteneck, an engineer with Siemens, invented the drum wound armature in 1872. The wires of the armature were all on the surface of the armature core, the wires being tapped at frequent points for connection with the commutator bars. Thus in the early seventies, commercial dynamos were available for use in arc lighting, and a few installations were made in Europe.


30

RUSSIAN INCANDESCENT LAMP INVENTORS

In 1872 Lodyguine, a Russian scientist, made an incandescent lamp consisting of a “V” shaped piece of graphite for a burner, which operated in nitrogen gas. He lighted the Admiralty Dockyard at St. Petersburg with about two hundred of these lamps. In 1872 the Russian Academy of Sciences awarded him a prize of 50,000 rubles (a lot of real money at that time) for his invention. A company with a capital of 200,000 rubles (then equal to about $100,000) was formed but as the lamp was so expensive to operate and had such a short life, about twelve hours, the project failed.

Lodyguine’s Incandescent Lamp, 1872.

The burner was made of graphite and operated in nitrogen gas.

Konn’s Incandescent Lamp, 1875.

In this lamp the graphite rods operated in a vacuum.

Kosloff, another Russian, in 1875 patented a graphite in nitrogen incandescent lamp, which had several graphite rods for burners, so arranged that when one failed another was automatically connected. Konn, also a Russian, made a lamp similar to Kosloff’s except that the graphite rods operated in a vacuum. Bouliguine, another Russian, in 1876 made an incandescent lamp having a long graphite rod, only31 the upper part of which was in circuit. As this part burned out, the rod was automatically pushed up so that a fresh portion then was in circuit. It operated in a vacuum. None of these lamps was commercial as they blackened rapidly and were too expensive to maintain.

Bouliguine’s Incandescent Lamp, 1876.

A long graphite rod, the upper part of which only was in circuit, operated in vacuum. As this part burned out, the rod was automatically shoved up, a fresh portion then being in the circuit.


THE JABLOCHKOFF “CANDLE”

Paul Jablochkoff was a Russian army officer and an engineer. In the early seventies he came to Paris and developed a novel arc light. This consisted of a pair of carbons held together side by side and insulated from each other by a mineral known as kaolin which vaporized as the carbons were consumed. There was no mechanism, the32 arc being started by a thin piece of carbon across the tips of the carbons. Current burned this bridge, starting the arc. The early carbons were about five inches long, and the positive carbon was twice as thick as the negative to compensate for the unequal consumption on direct current. This, however, did not work satisfactorily. Later the length of the carbons was increased, the carbon made of equal thickness and burned on alternating current of about eight or nine amperes at about 45 volts. He made an alternating current generator which had a stationary exterior armature with interior revolving field poles. Several “candles,” as they were called, were put in one fixture to permit all night service and an automatic device was developed, located in each fixture, so that should one “candle” go out for any reason, another was switched into service.

Jablochkoff “Candle,” 1876.

This simple arc consisted of a pair of carbons held together side by side and insulated from each other by kaolin. Several boulevards in Paris were lighted with these arc lights. This arc lamp is in the collection of the Smithsonian Institution.

In 1876 many of these “candles” were installed and later several of the boulevards in Paris were lighted with them. This was the33 first large installation of the arc light, and was the beginning of its commercial introduction. Henry Wilde made some improvements in the candle by eliminating the kaolin between the carbons which gave Jablochkoff’s arc its peculiar color. Wilde’s arc was started by allowing the ends of the carbons to touch each other, a magnet swinging them apart thus striking the arc.

Jablochkoff’s Alternating Current Dynamo, 1876.

This dynamo had a stationary exterior armature and internal revolving field poles. Alternating current was used for the Jablochkoff “candle” to overcome the difficulties of unequal consumption of the carbons on direct current.


COMMERCIAL INTRODUCTION OF THE DIFFERENTIALLY CONTROLLED ARC LAMP

About the same time Lontin, a Frenchman, improved Serrin’s arc lamp mechanism by the application of series and shunt magnets. This is the differential principle which was invented by Lacassagne and Thiers in 1855 but which apparently had been forgotten. Several of these lamps were commercially installed in France beginning with 1876.


ARC LIGHTING IN THE UNITED STATES

Wallace-Farmer Arc Lamp, 1875.

This “differentially controlled” arc lamp consisted of two slabs of carbon between which the arc played. In the original lamp the carbon slabs were mounted on pieces of wood held in place by bolts, adjustment being made by hitting the upper carbon slab with a hammer. This lamp is in the collection of the Smithsonian Institution.

Wallace-Farmer Dynamo, 1875.

This was the first commercial dynamo used in the United States for arc lighting. This dynamo is in the collection of the Smithsonian Institution.

About 1875 William Wallace of Ansonia, Connecticut, made an arc light consisting of two rectangular carbon plates mounted on a wooden frame. The arc played between the two edges of the plates,35 which lasted much longer than rods. When the edges had burned away so that the arc then became unduly long, the carbon plates were brought closer together by hitting them with a hammer. Wallace became associated with Moses G. Farmer, and they improved this crude arc by fastening the upper carbon plate to a rod which was held by a clutch controlled by a magnet. This magnet had two coils in one, the inner winding in series with the arc, and outer one in shunt and opposing the series winding. The arc was therefore differentially controlled.

Weston’s Arc Lamp, 1876.

This lamp is in the collection of the Smithsonian Institution.

They also developed a series wound direct current dynamo. The armature consisted of a number of bobbins, all connected together in an endless ring. Each bobbin was also connected to a commutator bar. There were two sets of bobbins, commutators and field poles, the equivalent of two machines in one, which could be connected either to separate circuits, or together in series on one circuit. The Wallace-Farmer system was commercially used. The arc consumed about 20 amperes at about 35 volts, but as the carbon plates cooled the arc, the efficiency was poor. The arc flickered back and forth on the edges of the carbons casting dancing shadows. The36 carbons, while lasting about 50 hours, were not uniform in density, so the arc would flare up and cast off soot and sparks.

Edward Weston of Newark, New Jersey, also developed an arc lighting system. His commercial lamp had carbon rods, one above the other, and the arc was also differentially controlled. An oil dash pot prevented undue pumping of the carbons. His dynamo had a drum-wound armature, and had several horizontal field coils on each side of one pair of poles between which the armature revolved. The system was designed for about 20 amperes, each are taking about 35 volts.

Brush’s Dynamo, 1877.

This dynamo was used for many years for commercial arc lighting.

Diagram of Brush Armature.

The armature was not a closed circuit. For description of its operation, see text.

Charles F. Brush made a very successful arc lighting system in 1878. His dynamo was unique in that the armature had eight coils,37 one end of each pair of opposite coils being connected together and the other ends connected to a commutator segment. Thus the armature itself was not a closed circuit. The machine had two pairs of horizontal poles between which the coils revolved. One end of the one pair of coils in the most active position was connected, by means of two of the four brushes, in series with one end of the two pairs of coils in the lesser active position. The latter two pairs of coils were connected in multiple with each other by means of the brushes touching adjacent commutator segments. The outside circuit was connected to the other two brushes, one of which was connected to the other end of the most active pair of coils. The other brush was connected to the other end of the two lesser active pairs of coils. The one pair of coils in the least active position was out of circuit. The field coils were connected in series with the outside circuit.

Brush’s Arc Lamp, 1877.

The carbons were differentially controlled. This lamp was used for many years. This lamp is in the collection of the Smithsonian Institution.

Brush’s arc lamp was also differentially controlled. It was designed for about 10 amperes at about 45 volts. The carbons were copper plated to increase their conductivity. Two pairs of carbons were used for all-night service, each pair lasting about eight hours.38 A very simple device was used to automatically switch the arc from one to the other pair of carbons, when the first pair was consumed. This device consisted of a triangular-shaped piece of iron connected to the solenoid controlling the arc. There was a groove on each of the outer two corners of this triangle, one groove wider than the other. An iron washer surrounded each upper carbon. The edge of each washer rested in a groove. The washer in the narrow groove made a comparatively tight fit about its carbon. The other washer in the wider groove had a loose fit about its carbon. Pins prevented the washer from falling below given points. Both pairs of carbons touched each other at the start. When current was turned on, the solenoid lifted the triangle, the loose-fitting washer gripped its carbon first, so that current then only passed through the other pair of carbons which were still touching each other. The further movement of the solenoid then separated these carbons, the arc starting between them. When this pair of carbons became consumed, they could not feed any more so that the solenoid would then allow the other pair of carbons to touch, transferring the arc to that pair.

Thomson-Houston Arc Dynamo, 1878.

This dynamo was standard for many years. This machine is in the collection of the Smithsonian Institution.

Elihu Thomson and Edwin J. Houston in 1878 made a very successful and complete arc light system. Their dynamo was specially39 designed to fit the requirements of the series arc lamp. The Thomson-Houston machine was a bipolar, having an armature consisting of three coils, one end of each of the three coils having a common terminal, or “Y” connected, as it is called. The other end of each coil was connected to a commutator segment. The machine was to a great extent self-regulating, that is the current was inherently constant with fluctuating load, as occurs when the lamps feed or when the number of lamps burning at one time should change for any reason. This regulation was accomplished by what is called “armature reaction,” which is the effect the magnetization of the armature has on the field strength. Close regulation was obtained by a separate electro-magnet, in series with the circuit, which shifted the brushes as the load changed. As there were but three commutator segments, one for each coil, excessive sparking was prevented by an air blast.

Diagram of T-H Arc Lighting System.

The “T-H” (Thompson-Houston) lamp employed the shunt feed principle. The carbons were normally separated, being in most types drawn apart by a spring. A high resistance magnet, shunted around the arc, served to draw the carbons together. This occurred on starting the lamp and thereafter the voltage of the arc was held constant by the balance between the spring and the shunt magnet. As the carbon burned away the mechanism advanced to a point where a clutch was tripped, the carbons brought together, and the cycle repeated. Both the T-H and Brush systems were extensively used in street lighting, for which they were the standard when the open arc was superseded by the enclosed.


40

OTHER AMERICAN ARC LIGHT SYSTEMS

Thomson-Houston Arc Lamp, 1878.

This is an early model with a single pair of carbons.

Thomson Double Carbon Arc Lamp.

This later model, having two pairs of carbons, was commercially used for many years. This lamp is in the collection of the Smithsonian Institution.

Beginning with about 1880, several arc light systems were developed. Among these were the Vanderpoele, Hochausen, Waterhouse, Maxim, Schuyler and Wood. The direct current carbon arc is inherently more efficient than the alternating current lamp, owing to the fact that the continuous flow of current in one direction maintains on the positive41 carbon a larger crater at the vaporizing point of carbon. This source furnishes the largest proportion of light, the smaller crater in the negative carbon much less. With the alternating current arc, the large crater is formed first on the upper and then on the lower carbon. On account of the cooling between alternations, the mean temperature falls below the vaporizing point of carbon, thus accounting for the lower efficiency of the alternating current arc.

Maxim Dynamo.

This dynamo is in the collection of the Smithsonian Institution.

For this reason all these systems used direct current and the 10 ampere ultimately displaced the 20 ampere system. The 10 ampere circuit was later standardized at 9.6 amperes, 50 volts per lamp. The lamp therefore consumed 480 watts giving an efficiency of about 15 lumens per watt. This lamp gave an average of 575 candlepower (spherical) in all directions, though it was called the 2000 cp (candlepower) arc as under the best possible conditions it could give this candlepower in one direction. Later a 6.6 ampere arc was developed. This was called the “1200 cp” lamp and was not quite as efficient as the 9.6 ampere lamp.


42

“SUB-DIVIDING THE ELECTRIC LIGHT”

While the arc lamp was being commercially established, it was at once seen that it was too large a unit for household use. Many inventors attacked the problem of making a smaller unit, or, as it was called, “sub-dividing the electric light.” In the United States there were four men prominent in this work: William E. Sawyer, Moses G. Farmer, Hiram S. Maxim and Thomas A. Edison. These men did not make smaller arc lamps but all attempted to make an incandescent lamp that would operate on the arc circuits.

Sawyer’s Incandescent Lamp, 1878.

This had a graphite burner operating in nitrogen gas.

Farmer’s Incandescent Lamp, 1878.

The graphite burner operated in nitrogen gas. This lamp is in the collection of the Smithsonian Institution.

Sawyer made several lamps in the years 1878–79 along the lines of the Russian scientists. All his lamps had a thick carbon burner operating in nitrogen gas. They had a long glass tube closed at one end and the other cemented to a brass base through which the gas was put in. Heavy fluted wires connected the burner with the base to radiate the heat, in order to keep the joint in the base cool. The burner was renewable by opening the cemented joint. Farmer’s lamp consisted of a pair of heavy copper rods mounted on a rubber cork, between which a graphite rod was mounted. This was inserted in a glass bulb and operated in nitrogen gas. Maxim made a lamp having a carbon burner operating in a rarefied hydrocarbon vapor. He also made a lamp consisting of a sheet of platinum operating in air.


43

EDISON’S INVENTION OF A PRACTICAL INCANDESCENT LAMP

Edison began the study of the problem in the spring of 1878. He had a well-equipped laboratory at Menlo Park, New Jersey, with several able assistants and a number of workmen, about a hundred people all told. He had made a number of well-known inventions, among which were the quadruplex telegraph whereby four messages could be sent simultaneously over one wire, the carbon telephone transmitter without which Bell’s telephone receiver would have been impracticable, and the phonograph. All of these are in use today, so Edison was eminently fitted to attack the problem.

Maxim’s Incandescent Lamp, 1878.

The carbon burner operated in a rarefied hydrocarbon vapor. This lamp is in the collection of the Smithsonian Institution.

Edison’s first experiments were to confirm the failures of other experimenters. Convinced of the seeming impossibility of carbon, he turned his attention to platinum as a light giving element. Realizing the importance of operating platinum close to its melting temperature, he designed a lamp which had a thermostatic arrangement so that the burner would be automatically short circuited the moment its temperature became dangerously close to melting. The burner consisted of a double helix of platinum wire within which was a rod.44 When the temperature of the platinum became too high, the rod in expanding would short circuit the platinum. The platinum cooled at once, the rod contracted opening the short circuit and allowing current to flow through the burner again. His first incandescent lamp patent covered this lamp. His next patent covered a similar lamp with an improved thermostat consisting of an expanding diaphragm. Both of these lamps were designed for use on series circuits.

Edison’s First Experimental Lamp, 1878.

The burner was a coil of platinum wire which was protected from operating at too high a temperature by a thermostat.

The only system of distributing electricity, known at that time, was the series system. In this system current generated in the dynamo armature flowed through the field coils, out to one lamp after another over a wire, and then back to the dynamo. There were no means by which one lamp could be turned on and off without doing the same with all the others on the circuit. Edison realized that while this was satisfactory for street lighting where arcs were generally used, it never would be commercial for household lighting. He therefore decided that a practical incandescent electric lighting system must be patterned after gas lighting with which it would compete. He therefore made45 an intensive study of gas distribution and reasoned that a constant pressure electrical system could be made similar to that of gas.

The first problem was therefore to design a dynamo that would give a constant pressure instead of constant current. He therefore reasoned that the internal resistance of the armature must be very low or the voltage would fall as current was taken from the dynamo. Scientists had shown that the most economical use of electricity from a primary battery was where the external resistance of the load was the same as the internal resistance of the battery, or in other words, 50 per cent was the maximum possible efficiency.

Diagram of Constant Current Series System.

This, in 1878, was the only method of distributing electric current.

Diagram of Edison’s Multiple System, 1879.

Edison invented the multiple system of distributing electric current, now universally used.

When Edison proposed a very low resistance armature so that the dynamo would have an efficiency of 90 per cent at full load, he was ridiculed. Nevertheless he went ahead and made one which attained this. The armature consisted of drum-wound insulated copper rods, the armature core having circular sheets of iron with paper between to reduce the eddy currents. There were two vertical fields above and46 connected in shunt with the armature. It generated electricity at about a hundred volts constant pressure and could supply current up to about 60 amperes at this pressure. It therefore had a capacity, in the present terminology, of about 6 kilowatts (or 8 horsepower).

Edison Dynamo, 1879.

Edison made a dynamo that was 90 per cent efficient which scientists said was impossible. This dynamo is in the collection of the Smithsonian Institution and was one of the machines on the steamship Columbia, the first commercial installation of the Edison lamp.

A multiple system of distribution would make each lamp independent of every other and with a dynamo made for such a system, the next thing was to design a lamp for it. Having a pressure of about a hundred volts to contend with, the lamp, in order to take a small amount of current, must, to comply with Ohm’s law, have a high resistance. He therefore wound many feet of fine platinum wire on a spool of pipe clay and made his first high resistance lamp. He used his diaphragm thermostat to protect the platinum from melting, and, as now seems obvious but was not to all so-called electricians at that time, the thermostat was arranged to open circuit instead of short circuit the burner when it became too hot. This lamp apparently solved the problem, and, in order to protect the platinum from the47 oxygen of the air, he coated it with oxide of zirconium. Unfortunately zirconia, while an insulator at ordinary temperatures, becomes, as is now known, a conductor of electricity when heated, so that the lamp short circuited itself when it was lighted.

Edison’s High Resistance Platinum Lamp, 1879.

This lamp had a high resistance burner, necessary for the multiple system.

Edison’s High Resistance Platinum in Vacuum Lamp, 1879.

This experimental lamp led to the invention of the successful carbon filament lamp.

During his experiments he had found that platinum became exceedingly hard after it had been heated several times to incandescence by current flowing through it. This apparently raised its melting temperature so he was able to increase the operating temperature and therefore greatly increase the candlepower of his lamps after48 they had been heated a few times. Examination of the platinum under a microscope showed it to be much less porous after heating, so he reasoned that gases were occluded throughout the platinum and were driven out by the heat. This led him to make a lamp with a platinum wire to operate in vacuum, as he thought that more of the occluded gases would come out under such circumstances.

Edison’s Carbon Lamp of October 21, 1879.

This experimental lamp, having a high resistance carbon filament operating in a high vacuum maintained by an all-glass globe, was the keystone of Edison’s successful incandescent lighting system. All incandescent lamps made today embody the basic features of this lamp. This replica is in the Smithsonian Institution exhibit of Edison lamps. The original was destroyed.

These lamps were expensive to make, and, knowing that he could get the requisite high resistance at much less cost from a long and slender piece of carbon, he thought he might be able to make the carbon last in the high vacuum he had been able to obtain from the newly invented Geissler and Sprengel mercury air pumps. After several trials he finally was able to carbonize a piece of ordinary sewing thread. This he mounted in a one-piece all glass globe, all joints fused by melting the glass together, which he considered was essential in order to maintain the high vacuum. Platinum wires were fused in the glass to connect the carbonized thread inside the bulb with the circuit outside as platinum has the same coefficient of expansion as glass and hence maintains an airtight joint. He reasoned that there would be occluded gases in the carbonized thread which would immediately burn49 up if the slightest trace of oxygen were present, so he heated the lamp while it was still on the exhaust pump after a high degree of vacuum had been obtained. This was accomplished by passing a small amount of current through the “filament,” as he called it, gently heating it. Immediately the gases started coming out, and it took eight hours more on the pump before they stopped. The lamp was then sealed and ready for trial.

Demonstration of Edison’s Incandescent Lighting System.

Showing view of Menlo Park Laboratory Buildings, 1880.

On October 21, 1879, current was turned into the lamp and it lasted forty-five hours before it failed. A patent was applied for on November 4th of that year and granted January 27, 1880. All incandescent lamps made today embody the basic features of this lamp. Edison immediately began a searching investigation of the best material for a filament and soon found that carbonized paper gave several hundred hours life. This made it commercially possible, so in December, 1879, it was decided that a public demonstration of his incandescent lighting system should be made. Wires were run to several houses in Menlo Park, N. J., and lamps were also mounted on poles, lighting the country roads in the neighborhood. An article appeared in the New York Herald on Sunday, December 21, 1879, describing Edison’s invention and telling of the public demonstration to be given during the Christmas holidays. This occupied the entire first page of the paper, and created such a furor that the Pennsylvania Railroad had to run special trains to Menlo Park to accommodate50 the crowds. The first commercially successful installation of the Edison incandescent lamps and lighting system was made on the steamship Columbia, which started May 2, 1880, on a voyage around Cape Horn to San Francisco, Calif.

The carbonized paper filament of the first commercial incandescent lamp was quite fragile. Early in 1880 carbonized bamboo was found to be not only sturdy but made an even better filament than paper. The shape of the bulb was also changed from round to pear shape, being blown from one inch tubing. Later the bulbs were blown directly from molten glass.

Dynamo Room, S. S. Columbia.

The first commercial installation of the Edison Lamp, started May 2, 1880. One of these original dynamos is on exhibit at the Smithsonian Institution.

As it was inconvenient to connect the wires to the binding posts of a new lamp every time a burned out lamp had to be replaced, a base and socket for it were developed. The earliest form of base consisted simply of bending the two wires of the lamp back on the neck of the bulb and holding them in place by wrapping string around the neck. The socket consisted of two pieces of sheet copper in a hollow piece of wood. The lamp was inserted in this, the two-wire terminals of the lamp making contact with the two-sheet copper terminals of the socket, the lamp being rigidly held in the socket by51 a thumb screw which forced the socket terminals tight against the neck of the bulb.

Original Socket for Incandescent Lamps, 1880.

Wire Terminal Base Lamp, 1880.

This crude form of lamp base fitted the original form of lamp socket pictured above. This lamp is in the exhibit of Edison lamps in the Smithsonian Institution.

This crude arrangement was changed in the latter part of 1880 to a screw shell and a ring for the base terminals, wood being used for insulation. The socket was correspondingly changed. This was a very bulky affair, so the base was changed to a cone-shaped ring and a screw shell for terminals. Wood was used for insulation, which a short time after was changed to plaster of Paris as this was also used to fasten the base to the bulb. It was soon found that the tension created between the two terminals of the base when the lamp was52 firmly screwed in the socket often caused the plaster base to pull apart, so the shape of the base was again changed early in 1881, to the form in use today.

An improved method of connecting the ends of the filament to the leading-in wires was adopted early in 1881. Formerly this was accomplished by a delicate clamp having a bolt and nut. The improvement consisted of copper plating the filament to the leading-in wire.

Original Screw Base Lamp, 1880.

This first screw base, consisting of a screw shell and ring for terminals with wood for insulation, was a very bulky affair. This lamp is in the exhibit of Edison lamps in the Smithsonian Institution.

Improved Screw Base Lamp, 1881.

The terminals of this base consisted of a cone shaped ring and a screw shell. At first wood was used for insulation, later plaster of paris which was also used to fasten the base to the bulb. This lamp is in the exhibit of Edison lamps in the Smithsonian Institution.

In the early part of the year 1881 the lamps were made “eight to the horsepower.” Each lamp, therefore, consumed a little less than 100 watts, and was designed to give 16 candlepower in a horizontal direction. The average candlepower (spherical) in all directions was about 77 per cent of this, hence as the modern term “lumen” is 12.57 spherical candlepower, these lamps had an initial efficiency of about 1.7 lumens per watt. The lamps blackened considerably during their life so that just before they burned out their candlepower was less than half that when new. Thus their mean efficiency throughout life was about 1.1 l-p-w (lumens per watt). These figures are interesting53 in comparison with the modern 100-watt gas-filled tungsten-filament lamp which has an initial efficiency of 12.9, and a mean efficiency of 11.8, l-p-w. In other words the equivalent (wattage) size of modern lamp gives over seven times when new, and eleven times on the average, as much light for the same energy consumption as Edison’s first commercial lamp. In the latter part of 1881 the efficiency was changed to “ten lamps per horsepower,” equivalent to 2¼ l-p-w initially. Two sizes of lamps were made: 16 cp for use on 110-volt circuits and 8 cp for use either direct on 55 volts or two in series on 110-volt circuits.

Final Form of Screw Base, 1881.

With plaster of paris, the previous form of base was apt to pull apart when the lamp was firmly screwed into the socket. The form of the base was therefore changed to that shown, which overcame these difficulties, and which has been used ever since. The lamp shown was standard for three years and is in the exhibit of Edison lamps in the Smithsonian Institution.


EDISON’S THREE-WIRE SYSTEM

The distance at which current can be economically delivered at 110 volts pressure is limited, as will be seen from a study of Ohm’s law. The loss of power in the distributing wires is proportional to the square of the current flowing. If the voltage be doubled, the amount of current is halved, for a given amount of electric power delivered, so that the size of the distributing wires can then be reduced to one-quarter for a given loss in them. At that time (1881) it was54 impossible to make 220-volt lamps, and though they are now available, their use is uneconomical, as their efficiency is much poorer than that of 110-volt incandescent lamps.

Edison invented a distributing system that had two 110-volt circuits, with one wire called the neutral, common to both circuits so that the pressure on the two outside wires was 220 volts. The neutral wire had only to be large enough to carry the difference between the currents flowing in the two circuits. As the load could be so arranged that it would be approximately equal at all times on both circuits, the neutral wire could be relatively small in size. Thus the three-wire system resulted in a saving of 60 per cent in copper over the two-wire system or, for the same amount of copper, the distance that current could be delivered was more than doubled.

Diagram of Edison’s Three-Wire System, 1881.

This system reduced the cost of copper in the multiple distributing system 60 per cent.


DEVELOPMENT OF THE ALTERNATING CURRENT CONSTANT POTENTIAL SYSTEM

The distance that current can be economically distributed, as has been shown, depends upon the voltage used. If, therefore, current could be sent out at a high voltage and the pressure brought down to that desired at the various points to which it is distributed, such distribution could cover a much greater area. Lucien Gaulard was a French inventor and was backed by an Englishman named John D. Gibbs. About 1882 they patented a series alternating-current system of distribution. They had invented what is now called a transformer which consisted of two separate coils of wire mounted on an iron55 core. All the primary coils were connected in series, which, when current went through them, induced a current in the secondary coils. Lamps were connected in multiple on each of the secondary coils. An American patent was applied for on the transformer, but was refused on the basis that “more current cannot be taken from it than is put in.” While this is true if the word energy were used, the transformer can supply a greater current at a lower voltage (or vice versa) than is put in, the ratio being in proportion to the relative number of turns in the primary and secondary coils. The transformer was treated with ridicule and Gaulard died under distressing circumstances.

Diagram of Stanley’s Alternating Current Multiple System, 1885.

This system is now universally used for distributing electric current long distances.

Information regarding the transformer came to the attention of William Stanley, an American, in the latter part of 1885. He made an intensive study of the scheme, and developed a transformer in which the primary coil was connected in multiple on a constant potential alternating-current high-voltage system. From the secondary coil a lower constant voltage was obtained. An experimental installation was made at Great Barrington, Mass., in the early part of 1886, the first commercial installation being made in Buffalo, New York, in the latter part of the year. This scheme enabled current to be economically distributed to much greater distances. The voltage of the high-tension circuit has been gradually increased as the art has progressed from about a thousand volts to over two hundred thousand volts pressure in a recent installation in California, where electric power is transmitted over two hundred miles.


56

INCANDESCENT LAMP DEVELOPMENTS, 1884–1894

In 1884 the ring of plaster around the top of the base was omitted; in 1886 an improvement was made by pasting the filament to the leading-in wires with a carbon paste instead of the electro-plating method; and in 1888 the length of the base was increased so that it had more threads. Several concerns started making incandescent lamps, the filaments being made by carbonizing various substances. “Parchmentized” thread consisted of ordinary thread passed through sulphuric acid. “Tamadine” was cellulose in the sheet form, punched out in the shape of the filament. Squirted cellulose in the form of a thread was also used. This was made by dissolving absorbent cotton in zinc chloride, the resulting syrup being squirted through a die into alcohol which hardened the thread thus formed. This thread was washed in water, dried in the air and then cut to proper length and carbonized.

Standard Edison Lamp, 1884.

The ring of plaster around the neck of previous lamps was omitted. This lamp is in the exhibit of Edison lamps in the Smithsonian Institution.

Standard Edison Lamp, 1888.

The length of the base was increased so it had more threads. This lamp is in the exhibit of Edison lamps in the Smithsonian Institution.

The filament was improved by coating it with graphite. One method, adopted about 1888, was to dip it in a hydrocarbon liquid before carbonizing. Another, more generally adopted in 1893 was a process originally invented by Sawyer, one of the Americans who had attempted to “sub-divide the electric light” in 1878–79. This process57 consisted of passing current through a carbonized filament in an atmosphere of hydrocarbon vapor. The hot filament decomposed the vapor, depositing graphite on the filament. The graphite coated filament improved it so it could operate at 3½ lumens per watt (initial efficiency). Lamps of 20, 24, 32 and 50 candlepower were developed for 110-volt circuits. Lamps in various sizes from 12 to 36 cp were made for use on storage batteries having various numbers of cells and giving a voltage of from 20 to 40 volts. Miniature lamps of from ½ to 2 cp for use on dry batteries of from 2½ to 5½ volts, and 3 to 6 cp on 5½ to 12 volts, were also made. These could also be connected in series on 110 volts for festoons. Very small lamps of ½ cp of 2 to 4 volts for use in dentistry and surgery were made available. These miniature lamps had no bases, wires being used to connect them to the circuit.

Standard Edison Lamp, 1894.

This lamp had a “treated” cellulose filament, permitting an efficiency of 3½ lumens per watt which has never been exceeded in a carbon lamp. This lamp is in the exhibit of Edison lamps in the Smithsonian Institution.

Lamps for 220-volt circuits were developed as this voltage was desirable for power purposes, electric motors being used, and a few lamps were needed on such circuits. They are less efficient and more expensive than 110-volt lamps, their use being justified however only when it is uneconomical to have a separate 110-volt circuit for lighting. The lamps were made in sizes from 16 to 50 candlepower.

58

Edison.
Thomson-Houston.
Westing­house.
Brush-Swan.
Edi-Swan
(single contact).
Edi-Swan
(double contact).
United States.
Hawkeye.
Ft. Wayne Jenny.
Mather or Perkins.
Loomis.
Schaeffer or National.
Indianapolis Jenny.
Siemens & Halske.

Various Standard Bases in Use, 1892.

59

Thomson-Houston Socket.
Westinghouse Socket.

60

Electric street railway systems used a voltage in the neighborhood of 550, and lamps were designed to burn five in series on this voltage. These lamps were different from the standard 110-volt lamps although they were made for about this voltage. As they were burned in series, the lamps were selected to operate at a definite current instead of at a definite voltage, so that the lamps when burned in series would operate at the proper temperature to give proper life results. Such lamps would therefore vary considerably in individual volts, and hence would not give good service if burned on 110-volt circuits. The candelabra screw base and socket and the miniature screw base and socket were later developed. Ornamental candelabra base lamps were made for use direct on 110 volts, smaller sizes being operated in series on this voltage. The former gave about 10 cp, the latter in various sizes from 4 to 8 cp. The miniature screw base lamps were for low volt lighting.

Thomson-Houston.Westinghouse.

Adapters for Edison Screw Sockets, 1892.

Next to the Edison base, the Thomson-Houston and Westinghouse bases were the most popular. By use of these adapters, Edison base lamps could be used in T-H and Westinghouse sockets.

The various manufacturers of lamps in nearly every instance made bases that were very different from one another. No less than fourteen different standard bases and sockets came into commercial use. These were known as, Brush-Swan, Edison, Edi-Swan (double contact), Edi-Swan (single contact), Fort Wayne Jenny, Hawkeye, Indianapolis Jenny, Loomis, Mather or Perkins, Schaeffer or National, Siemens & Halske, Thomson-Houston, United States and Westinghouse. In addition there were later larger sized bases made61 for use on series circuits. These were called the Bernstein, Heisler, Large Edison, Municipal Bernstein, Municipal Edison, Thomson-Houston (alternating circuit) and Thomson-Houston (arc circuit). Some of these bases disappeared from use and in 1900 the proportion in the United States was about 70 per cent Edison, 15 per cent Westinghouse, 10 per cent Thomson-Houston and 5 per cent for all the others remaining. A campaign was started to standardize the Edison base, adapters being sold at cost for the Westinghouse and Thomson-Houston sockets so that Edison base lamps could be used. In a few years the desired results were obtained so that now there are no other sockets in the United States but the Edison screw type for standard62 lighting service. This applies also to all other countries in the world except England where the bayonet form of base and socket is still popular.

Bernstein.
Heisler.
Thomson-Houston
(alternating current).
Thomson-Houston
(arc circuit).
Municipal Edison.
Municipal Bernstein.

Various Series Bases in Use, 1892.

The above six bases have been superseded by the “Large Edison,” now called the Mogul Screw base.


THE EDISON “MUNICIPAL” STREET LIGHTING SYSTEM

Edison “Municipal” System, 1885.

High voltage direct current was generated, several circuits operating in multiple, three ampere lamps burning in series on each circuit. Photograph courtesy of Association of Edison Illuminating Companies.

The arc lamp could not practically be made in a unit smaller than the so-called “1200 candlepower” (6.6 ampere) or “half” size, which really gave about 350 spherical candlepower. A demand therefore arose for a small street lighting unit, and Edison designed his “Municipal” street lighting system to fill this requirement. His experience in the making of dynamos enabled him to make a direct current bipolar constant potential machine that would deliver 1000 volts which later was increased to 1200 volts. They were first made in two sizes having an output of 12 and 30 amperes respectively. Incandescent lamps were made for 3 amperes in several sizes from 16 to 50 candlepower. These lamps were burned in series on the 1200-volt direct current system. Thus the 12-ampere machine had a capacity for four series circuits, each taking 3 amperes, the series63 circuits being connected in multiple across the 1200 volts. The number of lamps on each series circuit depended upon their size, as the voltage of each lamp was different for each size, being about 1½ volts per cp.

A popular size was the 32-candlepower unit, which therefore required about 45 volts and hence at 3 amperes consumed about 135 watts. Allowing 5 per cent loss in the wires of each circuit, there was therefore 1140 of the 1200 volts left for the lamps. Hence about 25 32-candlepower or 50 16-candlepower lamps could be put on each series circuit. Different sizes of lamps could also be put on the same circuit, the number depending upon the aggregate voltage of the lamps.

Edison Municipal Lamp, 1885.

Inside the base was an arrangement by which the lamp was automatically short circuited when it burned out.

A device was put in the base of each lamp to short circuit the lamp when it burned out so as to prevent all the other lamps on that circuit from going out. This device consisted of a piece of wire put inside the lamp bulb between the two ends of the filament. Connected to this wire was a very thin wire inside the base which held a piece of metal compressed against a spring. The spring was connected to one terminal of the base. Should the lamp burn out, current would jump from the filament to the wire in the bulb, and the current then flowed through the thin wire to the other terminal of the base. The thin wire was melted by the current, and the spring pushed the piece of metal up short circuiting the terminals of the base. This scheme was64 later simplified by omitting the wire, spring, etc., and substituting a piece of metal which was prevented from short circuiting the terminals of the base by a thin piece of paper. When the lamp burned out the entire 1200 volts was impressed across this piece of paper, puncturing it and so short circuiting the base terminals. Should one or more lamps go out on a circuit, the increase in current above the normal 3 amperes was prevented by an adjustable resistance, or an extra lot of lamps which could be turned on one at a time, connected to each circuit and located in the power station under the control of the operator. This system disappeared from use with the advent of the constant current transformer.


THE SHUNT BOX SYSTEM FOR SERIES INCANDESCENT LAMPS

Shunt Box System, 1887.

Lamps were burned in series on a high voltage alternating current, and when a lamp burned out all the current then went through its “shunt box,” a reactance coil in multiple with each lamp.

Soon after the commercial development of the alternating current constant potential system, a scheme was developed to permit the use of lamps in series on such circuits without the necessity for short circuiting a lamp should it burn out. A reactance, called a “shunt box” and consisting of a coil of wire wound on an iron core, was connected across each lamp. The shunt box consumed but little current while the lamp was burning. Should one lamp go out, the entire current would flow through its shunt box and so maintain the current approximately constant. It had the difficulty, however, that if several lamps went out, the current would be materially increased tending to burn out the remaining lamps on the circuit. This system also disappeared from use with the development of the constant current transformer.


65

THE ENCLOSED ARC LAMP

Up to 1893 the carbons of an arc lamp operated in the open air, so that they were rapidly consumed, lasting from eight to sixteen hours depending on their length and thickness. Louis B. Marks, an American, found that by placing a tight fitting globe about the arc, the life of the carbons was increased ten to twelve times. This was due to the restricted amount of oxygen of the air in the presence of the hot carbon tips and thus retarded their consumption. The amount of light was somewhat decreased, but this was more than offset by the lesser expense of trimming which also justified the use of more expensive better quality carbons. Satisfactory operation required that the arc voltage be increased to about 80 volts.

Enclosed Arc Lamp, 1893.

Enclosing the arc lengthened the life of the carbons, thereby greatly reducing the cost of maintenance.

This lamp rapidly displaced the series open arc. An enclosed arc lamp for use on 110-volt constant potential circuits was also developed. A resistance was put in series with the arc for use on 110-volt direct current circuits, to act as a ballast in order to prevent the arc from taking too much current and also to use up the difference between the66 arc voltage (80) and the line voltage (110). On alternating current, a reactance was used in place of the resistance.

The efficiencies in lumens per watt of these arcs (with clear glassware), all of which have now disappeared from the market, were about as follows:

6.6 ampere 510 watt direct current (D.C.) series arc, 8¼ l-p-w.
5.0 ampere 550 watt direct current multiple (110-volt) arc, 4½ l-p-w.
7.5 ampere 540 watt alternating current (A.C.) multiple (110-volt) arc, 4¼ l-p-w.

Open Flame Arc Lamp, 1898.

Certain salts impregnated in the carbons produced a brilliantly luminous flame in the arc stream which enormously increased the efficiency of the lamp.

Enclosed Flame Arc Lamp, 1908.

By condensing the smoke from the arc in a cooling chamber it was practical to enclose the flame arc, thereby increasing the life of the carbons.

The reason for the big difference in efficiency between the series and multiple direct-current arc is that in the latter a large amount of electrical energy (watts) is lost in the ballast resistance. While there is a considerable difference between the inherent efficiencies of the D. C. and A. C. arcs themselves, this difference is reduced in the67 multiple D. C. and A. C. arc lamps as more watts are lost in the resistance ballast of the multiple D. C. lamp than are lost in the reactance ballast of the multiple A. C. lamp.

This reactance gives the A. C. lamp what is called a “power-factor.” The product of the amperes (7.5) times the volts (110) does not give the true wattage (540) of the lamp, so that the actual volt-amperes (825) has to be multiplied by a power factor, in this case about 65 per cent, to obtain the actual power (watts) consumed. The reason is that the instantaneous varying values of the alternating current and pressure, if multiplied and averaged throughout the complete alternating cycle, do not equal the average amperes (measured by an ammeter) multiplied by the average voltage (measured by a volt-meter). That is, the maximum value of the current flowing (amperes) does not occur at the same instant that the maximum pressure (voltage) is on the circuit.


THE FLAME ARC LAMP

About 1844 Bunsen investigated the effect of introducing various chemicals in the carbon arc. Nothing was done, however, until Bremer, a German, experimented with various salts impregnated in the carbon electrodes. In 1898 he produced the so-called flame arc, which consisted of carbons impregnated with calcium fluoride. This gave a brilliant yellow light most of which came from the arc flame, and practically none from the carbon tips. The arc operated in the open air and produced smoke which condensed into a white powder.

The two carbons were inclined downward at about a 30-degree angle with each other, and were of small diameter but long, 18 to 30 inches, having a life of about 12 to 15 hours. The tips of the carbons projected through an inverted earthenware cup, called the “economizer,” the white powder condensing on this and acting not only as an excellent reflector but making a dead air space above the arc. The arc was maintained at the tips of the carbons by an electro-magnet whose magnetic field “blew” the arc down.

Two flame arc lamps were burned in series on 110-volt circuits. They consumed 550 watts each, giving an efficiency of about 35 lumens per watt on direct current. On alternating current the efficiency was about 30 l-p-w. By use of barium salts impregnated in the carbons, a white light was obtained, giving an efficiency of about 18 l-p-w on direct current and about 15½ on alternating current. These figures cover lamps equipped with clear glassware. Using strontium salts in the carbons, a red light was obtained at a considerably lower efficiency,68 such arcs on account of their color being used only to a limited extent for advertising purposes.

Constant Current Transformer, 1900.

This converted alternating current of constant voltage into constant current, for use on series circuits.

These arcs were remarkably efficient but their maintenance expense was high. Later, about 1908, enclosed flame arcs with vertical carbons were made which increased the life of the carbons, the smoke being condensed in cooling chambers. However, their maintenance expense was still high. They have now disappeared from the market, having been displaced by the very efficient gas-filled tungsten filament incandescent lamp which appeared in 1913.


69

THE CONSTANT CURRENT TRANSFORMER FOR SERIES CIRCUITS

About 1900 the constant current transformer was developed by Elihu Thomson. This transforms current taken from a constant potential alternating current circuit into a constant alternating current for series circuits, whose voltage varies with the load on the circuit. The transformer has two separate coils; the primary being stationary and connected to the constant potential circuit and the secondary being movable and connected to the series circuit. The weight of the secondary coil is slightly underbalanced by a counter weight. Current flowing in the primary induces current in the secondary, the two coils repelling each other. The strength of the repelling force depends upon the amount of current flowing in the two coils. The core of the transformer is so designed that the central part, which the two coils surround, is magnetically more powerful close to the primary coil than it is further away.

When the two coils are close together a higher voltage is induced in the secondary than if the later were further away from the primary coil. In starting, the two coils are pulled apart by hand to prevent too large a current flowing in the series circuit. The secondary coil is allowed to gradually fall and will come to rest at a point where the voltage induced in it produces the normal current in the series circuit, the repelling force between the two coils holding the secondary at this point. Should the load in the series circuit change for any reason, the current in the series circuit would also change, thus changing the force repelling the two coils. The secondary would therefore move until the current in the series circuit again becomes normal. The action is therefore automatic, and the actual current in the series circuit can be adjusted within limits to the desired amount, by varying the counterweight. A dash pot is used to prevent the secondary coil from oscillating (pumping) too much.

In the constant current transformer, the series circuit is insulated from the constant potential circuit. This has many advantages. A similar device, called an automatic regulating reactance was developed which is slightly less expensive, but it does not have the advantage of insulating the two circuits from each other.


ENCLOSED SERIES ALTERNATING CURRENT ARC LAMPS

The simplicity of the constant current transformer soon drove the constant direct-current dynamo from the market. An enclosed arc lamp was therefore developed for use on alternating constant current.70 Two sizes of lamps were made; one for 6.6 amperes consuming 450 watts and having an efficiency of about 4½ lumens per watt, and the other 7.5 amperes, 480 watts and 5 l-p-w (clear glassware). These lamps soon superseded the direct current series arcs. They have now been superseded by the more efficient magnetite arc and tungsten filament incandescent lamps.


SERIES INCANDESCENT LAMPS ON CONSTANT CURRENT TRANSFORMERS

Series incandescent lamps were made for use on constant current transformers superseding the “Municipal” and “Shunt Box” systems. The large Edison, now called the Mogul Screw base, was adopted and the short circuiting film cut-out was removed from the base and placed between prongs attached to the socket.

Holder.
Socket.
Holder and socket.

Series Incandescent Lamp Socket with Film Cutout, 1900.

The “Large Edison,” now called Mogul Screw, base was standardized and the short circuiting device put on the socket terminals.

The transformers made for the two sizes of arc lamps, produced 6.6 and 7.5 amperes and incandescent lamps, in various sizes from 16 to 50 cp, were made for these currents so that the incandescent lamps could be operated on the same circuit with the arc lamps. The carbon series incandescent lamp, however, was more efficient if made for lower currents, so 3½-, 4- and 5½-ampere constant current transformers were made for incandescent lamps designed for these amperes. Later, however, with the advent of the tungsten filament, the 6.6-ampere series tungsten lamp was made the standard, as it was slightly more efficient than the lower current lamps, and was made in sizes from 32 to 400 cp. When the more efficient gas-filled tungsten lamps were developed, the sizes were further increased; the standard 6.6-ampere lamps now made are from 60 to 2500 cp.


71

THE NERNST LAMP

Dr. Walther Nernst, of Germany, investigating the rare earths used in the Welsbach mantle, developed an electric lamp having a burner, or “glower” as it was called, consisting of a mixture of these oxides. The main ingredient was zirconia, and the glower operated in the open air. It is a non-conductor when cold, so had to be heated before current would flow through it. This was accomplished by an electric heating coil, made of platinum wire, located just above the glower. As the glower became heated and current flowed through it, the heater was automatically disconnected by an electro-magnet cut-out.

Nernst Lamp, 1900.

The burners consisted mainly of zirconium oxide which had to be heated before current could go through them.

The resistance of the glower decreases with increase in current, so a steadying resistance was put in series with it. This consisted of72 an iron wire mounted in a bulb filled with hydrogen gas and was called a “ballast.” Iron has the property of increasing in resistance with increase in current flowing through it, this increase being very marked between certain temperatures at which the ballast was operated. The lamp was put on the American market in 1900 for use on 220-volt alternating current circuits. The glower consumed 0.4 ampere. One, two, three, four and six glower lamps were made, consuming 88, 196, 274, 392 and 528 watts respectively. As most of the light is thrown downward, their light output was generally given in mean lower hemispherical candlepower. The multiple glower lamps were more efficient than the single glower, owing to the heat radiated from one glower to another. Their efficiencies, depending on the size, were from about 3½ to 5 lumens per watt, and their average candlepower throughout life was about 80 per cent of initial. The lamp disappeared from the market about 1912.

Diagram of Nernst Lamp.

THE COOPER-HEWITT LAMP

In 1860 Way discovered that if an electric circuit was opened between mercury contacts a brilliant greenish colored arc was produced. Mercury was an expensive metal and as the carbon arc seemed to give the most desirable results, nothing further was done for many years until Dr. Peter Cooper Hewitt, an American, began experimenting73 with it. He finally produced an arc in vacuum in a one-inch glass tube about 50 inches long for 110 volts direct current circuits, which was commercialized in 1901. The tube hangs at about 15 degrees from the horizontal. The lower end contains a small quantity of mercury. The terminals are at each end of the tube, and the arc was first started by tilting the tube by hand so that a thin stream of mercury bridged the two terminals. Current immediately vaporized the mercury, starting the arc. A resistance is put in series with the arc to maintain the current constant on direct current constant voltage circuits. Automatic starting devices were later developed, one of which consisted of an electro-magnet that tilted the lamp, and the other of an induction coil giving a high voltage which, in discharging, started the arc.

Cooper-Hewitt Mercury Vapor Arc Lamp, 1901.

This gives a very efficient light, practically devoid of red but of high actinic value, so useful in photography.

This lamp is particularly useful in photography on account of the high actinic value of its light. Its light is very diffused and is practically devoid of red rays, so that red objects appear black in its light. The lamp consumes 3½ amperes at 110 volts direct current (385 watts) having an efficiency of about 12½ lumens per watt.

The mercury arc is peculiar in that it acts as an electric valve tending to let current flow through it only in one direction. Thus on alternating current, the current impulses will readily go through it in one direction, but the arc will go out in the other half cycle unless means are taken to prevent this. This is accomplished by having two terminals at one end of the tube, which are connected to choke coils, which in turn are connected to a single coil (auto) transformer. The alternating current supply mains are connected to wires tapping different parts of the coil of the auto transformer. The center of the74 coil of the auto transformer is connected through an induction coil to the other end of the tube. By this means the alternating current impulses are sent through the tube in one direction, one half cycle from one of the pairs of terminals of the tube, the other half cycle from the other terminal. Thus pulsating direct current, kept constant by the induction coil, flows through the tube, the pulsations overlapping each other by the magnetic action of the choke coils. This alternating current lamp is started by the high voltage discharge method. It has a 50-inch length of tube, consuming about 400 watts on 110 volts. Its efficiency is a little less than that of the direct current lamp.

Diagram of Cooper-Hewitt Lamp for Use on Alternating Current.

The mercury arc is inherently for use on direct current, but by means of reactance coils, it can be operated on alternating current.


THE LUMINOUS OR MAGNETITE ARC LAMP

About 1901 Dr. Charles P. Steinmetz, Schenectady, N. Y., studied the effect of metallic salts in the arc flame. Dr. Willis R. Whitney, also of Schenectady, and director of the research laboratory of the organization of which Dr. Steinmetz is the consulting engineer, followed with some further work along this line. The results of this work were incorporated in a commercial lamp called the magnetite arc lamp, through the efforts of C. A. B. Halvorson, Jr., at Lynn, Mass. The negative electrode consists of a pulverized mixture of magnetite75 (a variety of iron ore) and other substances packed tightly in an iron tube. The positive electrode is a piece of copper sheathed in iron to prevent oxidization of the copper. The arc flame gives a brilliant white light, and, similar to the mercury arc, is inherently limited to direct current. It burns in the open air at about 75 volts. The lamp is made for 4-ampere direct current series circuits and consumes about 310 watts and has an efficiency of about 11½ lumens per watt.

Luminous or Magnetite Arc Lamp, 1902.

This has a negative electrode containing magnetite which produces a very luminous white flame in the arc stream.

The negative (iron tube) electrode now has a life of about 350 hours. Later, a higher efficiency, 4-ampere electrode was made which has a shorter life but gives an efficiency of about 17 l-p-w, and a 6.6-ampere lamp was also made giving an efficiency of about 18 l-p-w using the regular electrode. This electrode in being consumed gives off fumes, so the lamp has a chimney through its body to carry them off. Some of the fumes condense, leaving a fine powder, iron oxide, in the form of rust. The consumption of the positive (copper) electrode is very slow, which is opposite to that of carbon arc lamps on direct current. The arc flame is brightest near the negative (iron tube)76 electrode and decreases in brilliancy and volume as it nears the positive (copper) electrode.

Diagram of Series Magnetite Arc Lamp.

The method of control, entirely different from that of other arc lamps, was invented by Halvorson to meet the peculiarities of this arc.

The peculiarities of the arc are such that Halvorson invented an entirely new principle of control. The electrodes are normally apart. In starting, they are drawn together by a starting magnet with sufficient force to dislodge the slag which forms on the negative electrode and which becomes an insulator when cold. Current then flows through the electrodes and through a series magnet which pulls up a solenoid breaking the circuit through the starting magnet. This allows the lower electrode to fall a fixed distance, about seven-eighths of an inch, drawing the arc, whose voltage is then about 72 volts. As the negative electrode is consumed, the length and voltage of the arc77 increases when a magnet, in shunt with the arc, becomes sufficiently energized to close the contacts in the circuit of the starting magnet causing the electrode to pick up and start off again.


MERCURY ARC RECTIFIER FOR MAGNETITE ARC LAMPS

Mercury Arc Rectifier Tube for Series Magnetite Arc Lamps, 1902.

The mercury arc converted the alternating constant current into direct current required by the magnetite lamp.

As the magnetite arc requires direct current for its operation, the obvious way to supply a direct constant current for series circuits is to rectify, by means of the mercury arc, the alternating current obtained from a constant current transformer. The terminals of the movable secondary coil of the constant current transformer are connected to the two arms of the rectifier tube. One end of the series circuit is connected to the center of the secondary coil. The other end of the series circuit is connected to a reactance which in turn is connected to the pool of mercury in the bottom of the rectifier tube. One-half of the cycle of the alternating current goes from the secondary coil to one arm of the rectifier tube through the mercury vapor, the mercury arc having already been started by a separate78 starting electrode. It then goes to the pool of mercury, through the reactance and through the series circuit. The other half cycle of alternating current goes to the other arm of the rectifier tube, through the mercury vapor, etc., and through the series circuit. Thus a pulsating direct current flows through the series circuit, the magnetic action of the reactance coil making the pulsations of current overlap each other, which prevents the mercury arc from going out.

Early Mercury Arc Rectifier Installation.

INCANDESCENT LAMP DEVELOPMENTS, 1894–1904

With the development of a waterproof base in 1900, by the use of a waterproof cement instead of plaster of Paris to fasten the base to the bulb, porcelain at first and later glass being used to insulate the terminals of the base from each other, lamps could be exposed to the weather and give good results. Electric sign lighting therefore received a great stimulus, and lamps as low as 2 candlepower for 110 volts were designed for this purpose. Carbon lamps with concentrated filaments were also made for stereoptican and other focussing purposes. These lamps were made in sizes from 20 to 100 candlepower. The arc lamp was more desirable for larger units.

79

The dry battery was made in small units of 2, 3 and 5 cells, so that lamps of about ⅛ to 1 candlepower were made for 2½, 3½ and 6½ volts, for portable flashlights. It was not however until the tungsten filament was developed in 1907 that these flashlights became as popular as they now are. For ornamental lighting, lamps were supplied in round and tubular bulbs, usually frosted to soften the light.

The Moore Tube Light, 1904.

This consisted of a tube about 1¾ inches in diameter and having a length up to 200 feet, in which air at about one thousandth part of atmospheric pressure was made to glow by a very high voltage alternating current.


THE MOORE TUBE LIGHT

Geissler, a German, discovered sixty odd years ago, that a high voltage alternating current would cause a vacuum tube to glow. This light was similar to that obtained by Hawksbee over two hundred years ago. Geissler obtained his high voltage alternating current by a spark coil, which consisted of two coils of wire mounted on an iron core. Current from a primary battery passed through the primary80 coil, and this current was rapidly interrupted by a vibrator on the principle of an electric bell. This induced an alternating current of high voltage in the secondary coil as this coil had a great many more turns than the primary coil had. Scientists found that about 70 per cent of the electrical energy put into the Geissler tube was converted into the actual energy in the light given out.

In 1891 Mr. D. McFarlan Moore, an American, impressed with the fact that only one-half of one per cent of the electrical energy put into the carbon-incandescent lamp came out in the form of light, decided to investigate the possibilities of the vacuum tube. After several years of experiments and the making of many trial lamps, he finally, in 1904, made a lamp that was commercially used in considerable numbers.

Diagram of Feeder Valve of Moore Tube.

As the carbon terminals inside the tube absorbed the very slight amount of gas in the tube, a feeder valve allowed gas to flow in the tube, regulating the pressure to within one ten thousandth part of an atmosphere above and below the normal extremely slight pressure required.

The first installation of this form of lamp was in a hardware store in Newark, N. J. It consisted of a glass tube 1¾ inches in diameter and 180 feet long. Air, at a pressure of about one-thousand part of an atmosphere, was in the tube, from which was obtained a pale pink color. High voltage (about 16,000 volts) alternating current was supplied by a transformer to two carbon electrodes inside the ends of the tube. The air had to be maintained within one ten-thousandth part of atmospheric pressure above and below the normal of one-thousandth, and as the rarefied air in the tube combined chemically with the carbon electrodes, means had to be devised to maintain the81 air in the tube at this slight pressure as well as within the narrow limits required.

This was accomplished by a piece of carbon through which the air could seep, but if covered with mercury would make a tight seal. As the air pressure became low, an increased current would flow through the tube, the normal being about a tenth of an ampere. This accordingly increased the current flowing through the primary coil of the transformer. In series with the primary coil was an electro-magnet which lifted, as the current increased, a bundle of iron wires mounted in a glass tube which floated in mercury. The glass tube, rising, lowered the height of the mercury, uncovering a carbon rod cemented in a tube connecting the main tube with the open air. Thus air could seep through this carbon rod until the proper amount was fed into the main tube. When the current came back to normal the electro-magnet lowered the floating glass tube which raised the height of the mercury and covered the carbon rod, thus shutting off the further supply of air.

As there was a constant loss of about 400 watts in the transformer, and an additional loss of about 250 watts in the two electrodes, the total consumption of the 180-foot tube was about 2250 watts. Nitrogen gas gave a yellow light, which was more efficient and so was later used. On account of the fixed losses in the transformer and electrodes the longer tubes were more efficient, though they were made in various sizes of from 40 to 200 feet. The 200-foot tube, with nitrogen, had an efficiency of about 10 lumens per watt. Nitrogen gas was supplied to the tube by removing the oxygen from the air used. This was accomplished by passing the air over phosphorous which absorbed the oxygen.

Carbon dioxide gas (CO2) gave a pure white light but at about half the efficiency of nitrogen. The gas was obtained by allowing hydrochloric acid to come in contact with lumps of marble (calcium carbonate) which set free carbon dioxide and water vapor. The latter was absorbed by passing the gas through lumps of calcium chloride. The carbon dioxide tube on account of its daylight color value, made an excellent light under which accurate color matching could be done. A short tube is made for this purpose and this is the only use which the Moore tube now has, owing to the more efficient and simpler tungsten filament incandescent lamp.


82

THE OSMIUM LAMP

Dr. Auer von Welsbach, the German scientist who had produced the Welsbach gas mantle, invented an incandescent electric lamp having a filament of the metal osmium. It was commercially introduced in Europe in 1905 and a few were sold, but it was never marketed in this country. It was generally made for 55 volts, two lamps to burn in series on 110-volt circuits, gave about 25 candlepower and had an initial efficiency of about 5½ lumens per watt. It had a very fair maintenance of candlepower during its life, having an average efficiency of about 5 l-p-w. Osmium is a very rare and expensive metal, usually found associated with platinum, and is therefore very difficult to obtain. Burnt out lamps were therefore bought back in order to obtain a supply of osmium. It is also a very brittle metal, so that the lamps were extremely fragile.

Osmium Lamp, 1905.

This incandescent lamp was used in Europe for a few years, but was impractical to manufacture in large quantities as osmium is rarer and more expensive than platinum.


THE GEM LAMP

Dr. Willis R. Whitney, of Schenectady, N. Y., had invented an electrical resistance furnace. This consisted of a hollow carbon tube, packed in sand, through which a very heavy current could be passed. This heated the tube to a very high temperature, the sand preventing the tube from oxidizing, so that whatever was put inside the tube could be heated to a very high heat. Among his various83 experiments, he heated some carbon filaments and found that the high temperature changed their resistance “characteristic” from negative to positive. The ordinary carbon filament has a resistance when hot that is less than when it is cold, which was reversed after heating it to the high temperature Dr. Whitney was able to obtain. These filaments were made into lamps for 110-volt service and it was found that they could be operated at an efficiency of 4 lumens per watt. The lamps also blackened less than the regular carbon lamp throughout their life.

Gem Lamp, 1905.

This incandescent lamp had a graphitized carbon filament obtained by the heat of an electric furnace, so that it could be operated at 25 per cent higher efficiency than the regular carbon lamp. This lamp is in the exhibit of Edison lamps in the Smithsonian Institution.

This lamp was put on the market in 1905 and was called the Gem or metallized carbon filament lamp as such a carbon filament had a resistance characteristic similar to metals. At first it had two single hair pin filaments in series which in 1909 were changed to a single loop filament like the carbon lamp.

In 1905 the rating of incandescent lamps was changed from a candlepower to a wattage basis. The ordinary 16-candlepower carbon lamp consumed 50 watts and was so rated. The 50-watt Gem lamp gave 20 candlepower, both candlepower ratings being their mean candlepower in a horizontal direction. The Gem lamp was made for 110-volt circuits in sizes from 40 to 250 watts. The 50-watt size was the most popular, many millions of which were made before the lamp disappeared from use in 1918. The lamp was not quite as strong as the carbon lamp. Some Gem lamps for series circuits were84 also made, but these were soon superseded by the tungsten-filament lamp which appeared in 1907.


THE TANTALUM LAMP

Tantalum Lamp, 1906.

The tantalum filament could be operated at 50 per cent greater efficiency than that of the regular carbon incandescent lamp. This lamp is in the exhibit of Edison lamps in the Smithsonian Institution.

Dr. Werner von Bolton, a German physicist, made an investigation of various materials to see if any of them were more suitable than carbon for an incandescent-lamp filament. After experimenting with various metals, tantalum was tried. Tantalum had been known to science for about a hundred years. Von Bolton finally obtained some of the pure metal and found it to be ductile so that it could be drawn out into a wire. As it had a low specific resistance, the wire filament had to be much longer and thinner than the carbon filament. A great number of experimental lamps were made so that it was not until 1906 that the lamp was put on the market in this country. It had an initial efficiency of 5 lumens per watt and a good maintenance of candle power throughout its life, having an average efficiency of about 4¼ l-p-w. The usual sizes of lamps were 40 and 80 watts giving about 20 and 40 candlepower respectively. It was not quite as strong as the carbon lamp, and on alternating current the wire crystallized more rapidly, so that it broke more easily, giving a shorter life than on direct current. It disappeared from use in 1913.


85

INVENTION OF THE TUNGSTEN LAMP

Alexander Just and Franz Hanaman in 1902 were laboratory assistants to the Professor of Chemistry in the Technical High School in Vienna. Just was spending his spare time in another laboratory in Vienna, attempting to develop a boron incandescent lamp. In August of that year he engaged Hanaman to aid him in his work. They conceived the idea of making a lamp with a filament of tungsten and for two years worked on both lamps. The boron lamp turned out to be a failure. Their means were limited; Hanaman’s total income was $44 per month and Just’s was slightly more than this. In 1903 they took out a German patent on a tungsten filament, but the process they described was a failure because it produced a filament containing both carbon and tungsten. The carbon readily evaporated and quickly blackened the bulb when they attempted to operate the filament at an efficiency higher than that possible with the ordinary carbon filament. Finally in the latter part of the next year (1904) they were able to get rid of the carbon and produced a pure tungsten filament.

Tungsten had been known to chemists for many years by its compounds, its oxides and its alloys with steel, but the properties of the pure metal were practically unknown. It is an extremely hard and brittle metal and it was impossible at that time to draw it into a wire. Just and Hanaman’s process of making a pure tungsten filament consisted of taking tungsten oxide in the form of an extremely fine powder, reducing this to pure tungsten powder by heating it while hydrogen gas passed over it. The gas combined with the oxygen of the oxide, forming water vapor which was carried off, leaving the tungsten behind.

The tungsten powder was mixed with an organic binding material, and the paste was forced by very high pressure through a hole drilled in a diamond. This diamond die was necessary because tungsten, being so hard a substance, would quickly wear away any other kind of die. The thread formed was cut into proper lengths, bent the shape of a hair pin and the ends fastened to clamps. Current was passed through the hair pin in the presence of hydrogen gas and water vapor. The current heated the hair pin, carbonized the organic binding material in it, the carbon then combining with the moist hydrogen gas, leaving the tungsten particles behind. These particles were sintered together by the heat, forming the tungsten filament. Patents were applied for in various countries, the one in the United States on July 6, 1905.

86

The two laboratory assistants in 1905 finally succeeded in getting their invention taken up by a Hungarian lamp manufacturer. By the end of the year lamps were made that were a striking success for they could be operated at an efficiency of 8 lumens per watt. They were put on the American market in 1907, the first lamp put out being the 100-watt size for 110-volt circuits. This was done by mounting several hair pin loops in series to get the requisite resistance, tungsten having a low specific resistance. The issue of the American patent was delayed owing to an interference between four different parties, each claiming to be the inventor. After prolonged hearings, one application having been found to be fraudulent, the patent was finally granted to Just and Hanaman on February 27, 1912.

Tungsten Lamp, 1907.

The original 100 watt tungsten lamp was nearly three times as efficient as the carbon lamp, but its “pressed” filament was very fragile. This lamp is in the exhibit of Edison lamps in the Smithsonian Institution.

This “pressed” tungsten filament was quite fragile, but on account of its relatively high efficiency compared with other incandescent lamps, it immediately became popular. Soon after its introduction it became possible to make finer filaments so that lamps for 60, 4087 and then 25 watts for 110-volt circuits were made available. Sizes up to 500 watts were also made which soon began to displace the enclosed carbon arc lamp. Lamps were also made for series circuits in sizes from 32 to 400 candlepower. These promptly displaced the carbon and Gem series lamps. The high efficiency of the tungsten filament was a great stimulus to flashlights which are now sold by the millions each year. The lighting of railroad cars, Pullmans and coaches, with tungsten lamps obtaining their current from storage batteries, soon superseded the gas light formerly used. In some cases, a dynamo, run by a belt from the car axle, kept these batteries charged.

Drawn Tungsten Wire Lamp, 1911.

Scientists had declared it impossible to change tungsten from a brittle to ductile metal. This, however, was accomplished by Dr. Coolidge, and drawn tungsten wire made the lamp very sturdy. This lamp is in the exhibit of Edison lamps in the Smithsonian Institution.


DRAWN TUNGSTEN WIRE

After several years of patient experiment, Dr. William D. Coolidge in the research laboratory of a large electrical manufacturing company at Schenectady, N. Y., invented a process for making tungsten ductile, a patent for which was obtained in December, 1913. Tungsten had heretofore been known as a very brittle metal, but by means of this process it became possible to draw it into wire. This greatly simplified the manufacture of lamps and enormously improved their strength. Such lamps were commercially introduced in 1911.

With drawn tungsten wire it was easier to coil and therefore concentrate the filament as required by focusing types of lamps. The88 automobile headlight lamp was among the first of these, which in 1912 started the commercial use of electric light on cars in place of oil and acetylene gas. On street railway cars the use of tungsten lamps, made possible on this severe service by the greater sturdiness of the drawn wire, greatly improved their lighting. Furthermore, as the voltage on street railway systems is subject to great changes, the candlepower of the tungsten filament has the advantage of varying but about half as much as that of the carbon lamp on fluctuating voltage.

Quartz Mercury Vapor Lamp, 1912.

The mercury arc if enclosed in quartz glass can be operated at much higher temperature and therefore greater efficiency. The light is still deficient in red but gives a considerable amount of ultra-violet rays which kill bacteria and are very dangerous to the eye. They can, however, be absorbed by a glass globe. The lamp is not used as an illuminant in this country, but is valuable for use in the purification of water.


THE QUARTZ MERCURY VAPOR ARC LAMP

By putting a mercury arc in a tube made of quartz instead of glass, it can be operated at a much higher temperature and thereby obtain a greater efficiency. Such a lamp, however, is still largely deficient in red rays, and it gives out a considerable amount of ultra-violet rays. These ultra-violet rays will kill bacteria and the lamp is being used to a certain extent for such purpose as in the purification of water. These rays are very dangerous to the eyes, but they are absorbed by glass, so as an illuminant, a glass globe must be used on the lamp. These lamps appeared in Europe about 1912 but were never89 used to any extent in this country as an illuminant. They have an efficiency of about 26 lumens per watt. Quartz is very difficult to work, so the cost of a quartz tube is very great. The ordinary bunsen gas flame is used with glass, but quartz will only become soft in an oxy-hydrogen or oxy-acetylene flame.

Gas Filled Tungsten Lamp, 1913.

By operating a coiled filament in an inert gas, Dr. Langmuir was able to greatly increase its efficiency, the gain in light by the higher temperature permissible, more than offsetting the loss of heat by convection of the gas. This lamp is in the exhibit of Edison lamps in the Smithsonian Institution.


THE GAS-FILLED TUNGSTEN LAMP

The higher the temperature at which an incandescent lamp filament can be operated, the more efficient it becomes. The limit in temperature is reached when the material begins to evaporate rapidly, which blackens the bulb. The filament becoming thinner more quickly, thus rupturing sooner, shortens the life. If, therefore, the evaporating temperature can by some means be slightly raised, the efficiency will be greatly improved. This was accomplished by Dr. Irving Langmuir in the research laboratories at Schenectady, N. Y., by operating a tungsten filament in an inert gas. Nitrogen was first90 used. The gas circulating in the bulb has the disadvantage of conducting heat away from the filament so that the filament was coiled. This presented a smaller surface to the currents of gas and thereby reduced this loss. The lamps were commercially introduced in 1913 and a patent was granted in April, 1916.

Gas Filled Tungsten Lamp, 1923.

This is the form of the lamp as at present made. For 110-volt circuits the sizes range from 50 to 1000 watts.

An increased amount of electrical energy is required in these lamps to offset the heat being conducted away by the gas. This heat loss is minimized in a vacuum lamp, the filament tending to stay hot on the principle of the vacuum bottle. This loss in a gas filled lamp becomes relatively great in a filament of small diameter, as the surface in proportion to the volume of the filament increases with decreasing diameters. Hence there is a point where the gain in temperature is offset by the heat loss. The first lamps made were of 750 and 1000 watts for 110-volt circuits. Later 500- and then 400-watt lamps were made. The use of argon gas, which has a poorer heat conductivity than nitrogen, made it possible to produce smaller lamps, 50-watt gas-filled lamps for 110-volt circuits now being the smallest available. In the present state of the art, a vacuum lamp is more efficient than a gas-filled lamp having a filament smaller than one consuming about half an ampere. Thus gas-filled lamps are not now practicable much below 100 watts for 220 volts, 50 watts for 110 volts, 25 watts for 60 volts, 15 watts for 30 volts, etc.

From the foregoing it will be seen that the efficiency of these lamps depends largely on the diameter of the filament. There are other91 considerations, which also apply to vacuum lamps, that affect the efficiency. Some of these are: the number of anchors used, as they conduct heat away; in very low voltage lamps having short filaments the relative amount of heat conducted away by the leading-in wires becomes of increasing importance, etc. The 1000-watt lamp for 110-volt circuits is now made for nearly 20½ lumens per watt; the 50-watt lamp a little over 10 l-p-w.

The advent of the tungsten filament and especially the gas-filled lamp sounded the doom of all other electric illuminants except the magnetite and mercury arc lamps. All other incandescent lamps have now practically disappeared. The flame arc as well as the enclosed carbon arc lamp are hardly ever seen. The simplicity of the incandescent lamp, its cleanliness, low first cost, low maintenance cost and high efficiency of the tungsten filament have been the main reasons for its popularity.


TYPES AND SIZES OF TUNGSTEN LAMPS NOW MADE

There are about two hundred different types and sizes of tungsten filament lamps now standard for various kinds of lighting service. For 110-volt service, lamps are made in sizes from 10 to 1000 watts. Of the smaller sizes, some are made in round and tubular-shaped bulbs for ornamental lighting. In addition there are the candelabra lamps used in ornamental fixtures. Twenty-five- to five hundred-watt lamps are made with bulbs of special blue glass to cut out the excess of red and yellow rays and thus produce a light approximating daylight.

For 220-volt service lamps are made in sizes of from 25 to 1000 watts. For sign lighting service, 5-watt lamps of low voltage are made for use on a transformer located near the sign to reduce the 110 volts alternating current to that required by the lamps. Lamps are made from 5 to 100 watts for 30-volt service, such as is found in train lighting and in gas engine driven dynamo sets used in rural homes beyond the reach of central station systems. Concentrated filament lamps are made for stereopticon and motion picture projection, floodlighting, etc., in sizes from 100 to 1000 watts, for street railway headlights in sizes below 100 watts and for locomotive headlights in sizes from 100 to 250 watts. For series circuits, used in street lighting, lamps are made from 60 to 2500 candlepower. Miniature lamps cover those for flashlight, automobile, Christmas-tree, surgical and dental services, etc. They range, depending on the service, from ½ to 21 candlepower, and in voltage from 2½ to 24.

92

Standard Tungsten Lamps, 1923.

This illustrates some of the two hundred different lamps regularly made.


93

STANDARD VOLTAGES

Mention has been made of 110-volt service, 220-volt service, etc. In the days of the carbon incandescent lamp it was impossible to manufacture all lamps for an exact predetermined voltage. The popular voltage was 110, so lighting companies were requested in a number of instances to adjust their service to some voltage other than 110. They were thus able to utilize the odd voltage lamps manufactured, and this produced a demand for lamps of various voltages from 100 to 130. Arc lamps had a resistance (reactance on alternating current) that was adjustable for voltages between 100 and 130.

Similarly a demand was created for lamps of individual voltages of from 200 to 260. The 200- to 260-volt range has simmered down to 220, 230, 240 and 250 volts. These lamps are not as efficient as the 110-volt type and their demand is considerably less, as the 110-volt class of service for lighting is, with the exception of England, almost universal. Thus 110-volt service means 100 to 130 volts in contra-distinction to 200 to 260 volts, etc. The drawn tungsten wire filament made it possible to accurately predetermine the voltage of the lamp, so now that the carbon incandescent lamp is a thing of the past, there is no need for so many different voltages. Several years ago standard voltages of 110, 115 and 120 were recommended for adoption by all the electrical societies in the United States, and practically all central stations have now changed their service to one of these voltages.


COST OF INCANDESCENT ELECTRIC LIGHT

In the early ’80’s current was expensive, costing a consumer on the average about twenty cents per kilowatt hour. The cost has gradually come down and the general average rate for which current is sold for lighting purposes is now about 4½ cents. During the period 1880 to 1905 the average efficiency of carbon lamps throughout their life increased from about one to over 2¾ lumens per watt and their list price decreased from one dollar to twenty cents. The average amount of light obtained for one cent at first was about five candlepower hours and in 1904 it was increased to over thirty-six at the average rate then in effect. The next year with the more efficient Gem lamp 44 candle-hours could be had for one cent. In 1906 the amount was increased to 50 with the tantalum lamp and with the tungsten lamp in 1907, even at its high price of $1.50, the amount was further increased to 63. Since then the average cost of current has been94 reduced but slightly, but the efficiency of the tungsten lamp has materially increased and its cost reduced so that it is now possible to obtain, with the ordinary 40-watt lamp 170 candle-hours for a cent. If the gas-filled tungsten lamp were used the amount of light now obtained for a cent would depend upon the size, which, for the 1000-watt lamp, would be 382 candle-hours.


STATISTICS REGARDING THE PRESENT DEMAND FOR LAMPS

In the United States there are about 350 million incandescent and about two hundred thousand magnetite arc lamps now (1923) in use. They are increasing about 10 per cent each year. The annual demand for incandescent lamps for renewals and new installations is over 200 millions, exclusive of miniature lamps. The use of incandescent lamps in all other countries put together is about equal that in the U. S.

The average candlepower of standard lighting lamps has increased from 16, which prevailed during the period prior to 1905, to over 60. The average wattage has not varied much during the past twenty-odd years, the average lamp now consuming about 55 watts. This indicates that the public is utilizing the improvement in lamp efficiency by increased illumination. The present most popular lamp is the 40-watt size which represents 20 per cent of the total demand. Second in demand is the 25-watt at 18 per cent and third, the 50-watt at 15 per cent of the total in numbers. While the aggregate demand of all the gas-filled tungsten lamps is a little over 20 per cent in numbers, they represent, on account of their greater efficiency and wattage, over half the amount of total candlepower used. In the United States about 85 per cent of all lamps are for the 110-volt range. About 5 per cent for 220 volts, 2 per cent for street series lighting, 3 per cent for street railway and 5 per cent for trainlighting and miscellaneous classes of service.


95

SELECTED BIBLIOGRAPHY

Alglave and Boulard, “The Electric Light,” translated by T. O’Connor Sloane, edited by C. M. Lungren, D. Appleton & Co., New York, 1884.

Barham, G. Basil, “The Development of the Incandescent Electric Lamp,” Scott Greenwood & Son, London, 1912.

Dredge, James, “Electric Illumination,” 2 vols., John Wiley & Sons, New York, 1882.

Durgin, William A., “Electricity—Its History and Development,” A. C. McClurg & Co., Chicago, 1912.

Dyer & Martin, “Edison, His Life and Inventions,” 2 vols., Harper & Bros., New York, 1910.

Guillemin, Amedee, “Electricity and Magnetism,” edited by Silvanus P. Thompson, McMillan & Co., London, 1891.

Houston, Edwin J., “Electricity One Hundred Years ago and To-day,” The W. J. Johnston Co., New York, 1894.

Houston and Kennelly, “Electric Arc Lighting,” McGraw Publishing Co., New York, 1906.

Hutchinson, Rollin W., Jr., “High Efficiency Electrical Illuminants and Illumination,” John Wiley & Sons, New York, 1911.

Maier, Julius, “Arc and Glow Lamps,” Whittaker & Co., London, 1886.

Pope, Franklin Leonard, “Evolution of the Electric Incandescent Lamp,” Boschen & Wefer, New York, 1894.

Solomon, Maurice, “Electric Lamps,” D. Van Nostrand Co., New York, 1908.

Transcriber’s Notes

Punctuation, hyphenation, and spelling were made consistent when a predominant preference was found in the original book; otherwise they were not changed.

Simple typographical errors were corrected; unbalanced quotation marks were remedied when the change was obvious, and otherwise left unbalanced.

Illustrations in this eBook have been positioned between paragraphs. In versions of this eBook that support hyperlinks, the page references in the List of Illustrations lead to the corresponding illustrations.

“Allesandro Volta” was printed that way.

*** END OF THE PROJECT GUTENBERG EBOOK HISTORY OF ELECTRIC LIGHT ***
Updated editions will replace the previous one—the old editions will be renamed.
Creating the works from print editions not protected by U.S. copyright law means that no one owns a United States copyright in these works, so the Foundation (and you!) can copy and distribute it in the United States without permission and without paying copyright royalties. Special rules, set forth in the General Terms of Use part of this license, apply to copying and distributing Project Gutenberg™ electronic works to protect the PROJECT GUTENBERG™ concept and trademark. Project Gutenberg is a registered trademark, and may not be used if you charge for an eBook, except by following the terms of the trademark license, including paying royalties for use of the Project Gutenberg trademark. If you do not charge anything for copies of this eBook, complying with the trademark license is very easy. You may use this eBook for nearly any purpose such as creation of derivative works, reports, performances and research. Project Gutenberg eBooks may be modified and printed and given away—you may do practically ANYTHING in the United States with eBooks not protected by U.S. copyright law. Redistribution is subject to the trademark license, especially commercial redistribution.
START: FULL LICENSE
THE FULL PROJECT GUTENBERG LICENSE
PLEASE READ THIS BEFORE YOU DISTRIBUTE OR USE THIS WORK
To protect the Project Gutenberg™ mission of promoting the free distribution of electronic works, by using or distributing this work (or any other work associated in any way with the phrase “Project Gutenberg”), you agree to comply with all the terms of the Full Project Gutenberg™ License available with this file or online at www.gutenberg.org/license.
Section 1. General Terms of Use and Redistributing Project Gutenberg™ electronic works
1.A. By reading or using any part of this Project Gutenberg™ electronic work, you indicate that you have read, understand, agree to and accept all the terms of this license and intellectual property (trademark/copyright) agreement. If you do not agree to abide by all the terms of this agreement, you must cease using and return or destroy all copies of Project Gutenberg™ electronic works in your possession. If you paid a fee for obtaining a copy of or access to a Project Gutenberg™ electronic work and you do not agree to be bound by the terms of this agreement, you may obtain a refund from the person or entity to whom you paid the fee as set forth in paragraph 1.E.8.
1.B. “Project Gutenberg” is a registered trademark. It may only be used on or associated in any way with an electronic work by people who agree to be bound by the terms of this agreement. There are a few things that you can do with most Project Gutenberg™ electronic works even without complying with the full terms of this agreement. See paragraph 1.C below. There are a lot of things you can do with Project Gutenberg™ electronic works if you follow the terms of this agreement and help preserve free future access to Project Gutenberg™ electronic works. See paragraph 1.E below.
1.C. The Project Gutenberg Literary Archive Foundation (“the Foundation” or PGLAF), owns a compilation copyright in the collection of Project Gutenberg™ electronic works. Nearly all the individual works in the collection are in the public domain in the United States. If an individual work is unprotected by copyright law in the United States and you are located in the United States, we do not claim a right to prevent you from copying, distributing, performing, displaying or creating derivative works based on the work as long as all references to Project Gutenberg are removed. Of course, we hope that you will support the Project Gutenberg™ mission of promoting free access to electronic works by freely sharing Project Gutenberg™ works in compliance with the terms of this agreement for keeping the Project Gutenberg™ name associated with the work. You can easily comply with the terms of this agreement by keeping this work in the same format with its attached full Project Gutenberg™ License when you share it without charge with others.
1.D. The copyright laws of the place where you are located also govern what you can do with this work. Copyright laws in most countries are in a constant state of change. If you are outside the United States, check the laws of your country in addition to the terms of this agreement before downloading, copying, displaying, performing, distributing or creating derivative works based on this work or any other Project Gutenberg™ work. The Foundation makes no representations concerning the copyright status of any work in any country other than the United States.
1.E. Unless you have removed all references to Project Gutenberg:
1.E.1. The following sentence, with active links to, or other immediate access to, the full Project Gutenberg™ License must appear prominently whenever any copy of a Project Gutenberg™ work (any work on which the phrase “Project Gutenberg” appears, or with which the phrase “Project Gutenberg” is associated) is accessed, displayed, performed, viewed, copied or distributed:
This eBook is for the use of anyone anywhere in the United States and most other parts of the world at no cost and with almost no restrictions whatsoever. You may copy it, give it away or re-use it under the terms of the Project Gutenberg License included with this eBook or online at www.gutenberg.org. If you are not located in the United States, you will have to check the laws of the country where you are located before using this eBook.
1.E.2. If an individual Project Gutenberg™ electronic work is derived from texts not protected by U.S. copyright law (does not contain a notice indicating that it is posted with permission of the copyright holder), the work can be copied and distributed to anyone in the United States without paying any fees or charges. If you are redistributing or providing access to a work with the phrase “Project Gutenberg” associated with or appearing on the work, you must comply either with the requirements of paragraphs 1.E.1 through 1.E.7 or obtain permission for the use of the work and the Project Gutenberg™ trademark as set forth in paragraphs 1.E.8 or 1.E.9.
1.E.3. If an individual Project Gutenberg™ electronic work is posted with the permission of the copyright holder, your use and distribution must comply with both paragraphs 1.E.1 through 1.E.7 and any additional terms imposed by the copyright holder. Additional terms will be linked to the Project Gutenberg™ License for all works posted with the permission of the copyright holder found at the beginning of this work.
1.E.4. Do not unlink or detach or remove the full Project Gutenberg™ License terms from this work, or any files containing a part of this work or any other work associated with Project Gutenberg™.
1.E.5. Do not copy, display, perform, distribute or redistribute this electronic work, or any part of this electronic work, without prominently displaying the sentence set forth in paragraph 1.E.1 with active links or immediate access to the full terms of the Project Gutenberg™ License.
1.E.6. You may convert to and distribute this work in any binary, compressed, marked up, nonproprietary or proprietary form, including any word processing or hypertext form. However, if you provide access to or distribute copies of a Project Gutenberg™ work in a format other than “Plain Vanilla ASCII” or other format used in the official version posted on the official Project Gutenberg™ website (www.gutenberg.org), you must, at no additional cost, fee or expense to the user, provide a copy, a means of exporting a copy, or a means of obtaining a copy upon request, of the work in its original “Plain Vanilla ASCII” or other form. Any alternate format must include the full Project Gutenberg™ License as specified in paragraph 1.E.1.
1.E.7. Do not charge a fee for access to, viewing, displaying, performing, copying or distributing any Project Gutenberg™ works unless you comply with paragraph 1.E.8 or 1.E.9.
1.E.8. You may charge a reasonable fee for copies of or providing access to or distributing Project Gutenberg™ electronic works provided that:
• You pay a royalty fee of 20% of the gross profits you derive from the use of Project Gutenberg™ works calculated using the method you already use to calculate your applicable taxes. The fee is owed to the owner of the Project Gutenberg™ trademark, but he has agreed to donate royalties under this paragraph to the Project Gutenberg Literary Archive Foundation. Royalty payments must be paid within 60 days following each date on which you prepare (or are legally required to prepare) your periodic tax returns. Royalty payments should be clearly marked as such and sent to the Project Gutenberg Literary Archive Foundation at the address specified in Section 4, “Information about donations to the Project Gutenberg Literary Archive Foundation.”
• You provide a full refund of any money paid by a user who notifies you in writing (or by e-mail) within 30 days of receipt that s/he does not agree to the terms of the full Project Gutenberg™ License. You must require such a user to return or destroy all copies of the works possessed in a physical medium and discontinue all use of and all access to other copies of Project Gutenberg™ works.
• You provide, in accordance with paragraph 1.F.3, a full refund of any money paid for a work or a replacement copy, if a defect in the electronic work is discovered and reported to you within 90 days of receipt of the work.
• You comply with all other terms of this agreement for free distribution of Project Gutenberg™ works.
1.E.9. If you wish to charge a fee or distribute a Project Gutenberg™ electronic work or group of works on different terms than are set forth in this agreement, you must obtain permission in writing from the Project Gutenberg Literary Archive Foundation, the manager of the Project Gutenberg™ trademark. Contact the Foundation as set forth in Section 3 below.
1.F.
1.F.1. Project Gutenberg volunteers and employees expend considerable effort to identify, do copyright research on, transcribe and proofread works not protected by U.S. copyright law in creating the Project Gutenberg™ collection. Despite these efforts, Project Gutenberg™ electronic works, and the medium on which they may be stored, may contain “Defects,” such as, but not limited to, incomplete, inaccurate or corrupt data, transcription errors, a copyright or other intellectual property infringement, a defective or damaged disk or other medium, a computer virus, or computer codes that damage or cannot be read by your equipment.
1.F.2. LIMITED WARRANTY, DISCLAIMER OF DAMAGES - Except for the “Right of Replacement or Refund” described in paragraph 1.F.3, the Project Gutenberg Literary Archive Foundation, the owner of the Project Gutenberg™ trademark, and any other party distributing a Project Gutenberg™ electronic work under this agreement, disclaim all liability to you for damages, costs and expenses, including legal fees. YOU AGREE THAT YOU HAVE NO REMEDIES FOR NEGLIGENCE, STRICT LIABILITY, BREACH OF WARRANTY OR BREACH OF CONTRACT EXCEPT THOSE PROVIDED IN PARAGRAPH 1.F.3. YOU AGREE THAT THE FOUNDATION, THE TRADEMARK OWNER, AND ANY DISTRIBUTOR UNDER THIS AGREEMENT WILL NOT BE LIABLE TO YOU FOR ACTUAL, DIRECT, INDIRECT, CONSEQUENTIAL, PUNITIVE OR INCIDENTAL DAMAGES EVEN IF YOU GIVE NOTICE OF THE POSSIBILITY OF SUCH DAMAGE.
1.F.3. LIMITED RIGHT OF REPLACEMENT OR REFUND - If you discover a defect in this electronic work within 90 days of receiving it, you can receive a refund of the money (if any) you paid for it by sending a written explanation to the person you received the work from. If you received the work on a physical medium, you must return the medium with your written explanation. The person or entity that provided you with the defective work may elect to provide a replacement copy in lieu of a refund. If you received the work electronically, the person or entity providing it to you may choose to give you a second opportunity to receive the work electronically in lieu of a refund. If the second copy is also defective, you may demand a refund in writing without further opportunities to fix the problem.
1.F.4. Except for the limited right of replacement or refund set forth in paragraph 1.F.3, this work is provided to you ‘AS-IS’, WITH NO OTHER WARRANTIES OF ANY KIND, EXPRESS OR IMPLIED, INCLUDING BUT NOT LIMITED TO WARRANTIES OF MERCHANTABILITY OR FITNESS FOR ANY PURPOSE.
1.F.5. Some states do not allow disclaimers of certain implied warranties or the exclusion or limitation of certain types of damages. If any disclaimer or limitation set forth in this agreement violates the law of the state applicable to this agreement, the agreement shall be interpreted to make the maximum disclaimer or limitation permitted by the applicable state law. The invalidity or unenforceability of any provision of this agreement shall not void the remaining provisions.
1.F.6. INDEMNITY - You agree to indemnify and hold the Foundation, the trademark owner, any agent or employee of the Foundation, anyone providing copies of Project Gutenberg™ electronic works in accordance with this agreement, and any volunteers associated with the production, promotion and distribution of Project Gutenberg™ electronic works, harmless from all liability, costs and expenses, including legal fees, that arise directly or indirectly from any of the following which you do or cause to occur: (a) distribution of this or any Project Gutenberg™ work, (b) alteration, modification, or additions or deletions to any Project Gutenberg™ work, and (c) any Defect you cause.
Section 2. Information about the Mission of Project Gutenberg™
Project Gutenberg™ is synonymous with the free distribution of electronic works in formats readable by the widest variety of computers including obsolete, old, middle-aged and new computers. It exists because of the efforts of hundreds of volunteers and donations from people in all walks of life.
Volunteers and financial support to provide volunteers with the assistance they need are critical to reaching Project Gutenberg™’s goals and ensuring that the Project Gutenberg™ collection will remain freely available for generations to come. In 2001, the Project Gutenberg Literary Archive Foundation was created to provide a secure and permanent future for Project Gutenberg™ and future generations. To learn more about the Project Gutenberg Literary Archive Foundation and how your efforts and donations can help, see Sections 3 and 4 and the Foundation information page at www.gutenberg.org.
Section 3. Information about the Project Gutenberg Literary Archive Foundation
The Project Gutenberg Literary Archive Foundation is a non-profit 501(c)(3) educational corporation organized under the laws of the state of Mississippi and granted tax exempt status by the Internal Revenue Service. The Foundation’s EIN or federal tax identification number is 64-6221541. Contributions to the Project Gutenberg Literary Archive Foundation are tax deductible to the full extent permitted by U.S. federal laws and your state’s laws.
The Foundation’s business office is located at 809 North 1500 West, Salt Lake City, UT 84116, (801) 596-1887. Email contact links and up to date contact information can be found at the Foundation’s website and official page at www.gutenberg.org/contact
Section 4. Information about Donations to the Project Gutenberg Literary Archive Foundation
Project Gutenberg™ depends upon and cannot survive without widespread public support and donations to carry out its mission of increasing the number of public domain and licensed works that can be freely distributed in machine-readable form accessible by the widest array of equipment including outdated equipment. Many small donations ($1 to $5,000) are particularly important to maintaining tax exempt status with the IRS.
The Foundation is committed to complying with the laws regulating charities and charitable donations in all 50 states of the United States. Compliance requirements are not uniform and it takes a considerable effort, much paperwork and many fees to meet and keep up with these requirements. We do not solicit donations in locations where we have not received written confirmation of compliance. To SEND DONATIONS or determine the status of compliance for any particular state visit www.gutenberg.org/donate.
While we cannot and do not solicit contributions from states where we have not met the solicitation requirements, we know of no prohibition against accepting unsolicited donations from donors in such states who approach us with offers to donate.
International donations are gratefully accepted, but we cannot make any statements concerning tax treatment of donations received from outside the United States. U.S. laws alone swamp our small staff.
Please check the Project Gutenberg web pages for current donation methods and addresses. Donations are accepted in a number of other ways including checks, online payments and credit card donations. To donate, please visit: www.gutenberg.org/donate
Section 5. General Information About Project Gutenberg™ electronic works
Professor Michael S. Hart was the originator of the Project Gutenberg™ concept of a library of electronic works that could be freely shared with anyone. For forty years, he produced and distributed Project Gutenberg™ eBooks with only a loose network of volunteer support.
Project Gutenberg™ eBooks are often created from several printed editions, all of which are confirmed as not protected by copyright in the U.S. unless a copyright notice is included. Thus, we do not necessarily keep eBooks in compliance with any particular paper edition.
Most people start at our website which has the main PG search facility: www.gutenberg.org.
This website includes information about Project Gutenberg™, including how to make donations to the Project Gutenberg Literary Archive Foundation, how to help produce our new eBooks, and how to subscribe to our email newsletter to hear about new eBooks.